elecena.pl

Ultra-low jitter clock generator family with single PLL

Texas Instruments

Ultra-low jitter clock generator family with single PLL RSS Sample
  • Darmowa próbka
MPN:
LMK03318
Producent:
TEXAS INSTRUMENTS
Dodany do bazy:
Ostatnio widziany:

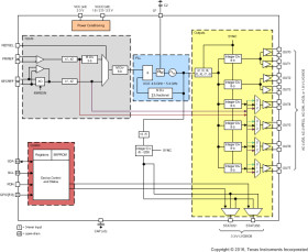
The LMK03318 device is an ultra-low-noise PLLATINUM™ clock generator with one fractional-N frequency synthesizer with integrated VCO, flexible clock distribution and fanout, and pin-selectable configuration states stored in on-chip EEPROM. The device can generate multiple clocks for various multi-gigabit serial interfaces and digital devices, thus reducing BOM cost and board area and improving reliability by replacing multiple oscillators and clock distribution devices. The ultra-low jitter reduces bit-error rate (BER) in high-speed serial links.

For the PLL, a differential clock, a single-ended clock, or a crystal input can be selected as the reference clock. The selected reference input can be used to lock the VCO frequency at an integer or fractional multiple of the reference input frequency. The VCO frequency can be tuned between 4.8 GHz and 5.4 GHz. The PLL offers the flexibility to select a predefined or user-defined loop bandwidth, depending on the needs of the application. The PLL has a post-divider that can be selected between divide-by 2, 3, 4, 5, 6, 7, or 8.

All the output channels can select the divided-down VCO clock from the PLL as the source for the output divider to set the final output frequency. Some output channels can also independently select the reference input for the PLL as an alternative source to be bypassed to the corresponding output buffers. The 8-bit output dividers support a divide range of 1 to 256 (even or odd), output frequencies up to 1 GHz, and output phase synchronization capability.

All output pairs are ground-referenced CML drivers with programmable swing that can be interfaced to LVDS, LVPECL, or CML receivers with AC coupling. All output pairs can also be independently configured as HCSL outputs or 2 × 1.8-V LVCMOS outputs. The outputs offer lower power at 1.8 V, higher performance and power supply noise immunity, and lower EMI compared to voltage-referenced driver designs (such as traditional LVDS and LVPECL drivers). Two additional 3.3-V LVCMOS outputs can be obtained via the STATUS pins. This is an optional feature in case of a need for 3.3-V LVCMOS outputs and device status signals are not needed.

The device features self start-up from on-chip programmable EEPROM or pre-defined ROM memory, which offers multiple custom device modes selectable via pin control eliminating the need for serial programming. The device registers and on-chip EEPROM settings are fully programmable through the I2C-compatible serial interface. The device slave address is programmable in EEPROM and LSBs can be set with a 3-state pin.

The device provides two frequency margining options with glitch-free operation to support system design verification tests (DVT), such as standard compliance and system timing margin testing. Fine frequency margining (in ppm) can be supported by using a low-cost pullable crystal on the internal crystal oscillator (XO), and selecting this input as the reference to the PLL synthesizer. The frequency margining range is determined by the trim sensitivity of the crystal and the on-chip varactor range. XO frequency margining can be controlled through pin or I2C control for ease-of use and high flexibility. Coarse frequency margining (in %) is available on any output channel by changing the output divide value via I2C interface, which synchronously stops and restarts the output clock to prevent a glitch or runt pulse when the divider is changed.

Internal power conditioning provide excellent power supply noise rejection (PSNR), reducing the cost and complexity of the power delivery network. The analog and digital core blocks operate from 3.3-V ± 5% supply and output blocks operate from 1.8-V, 2.5-V, or 3.3-V ± 5% supply.

Elecena nie prowadzi sprzedaży elementów elektronicznych, ani w niej nie pośredniczy.

Produkt pochodzi z oferty sklepu