elecena.pl

37-V, 1.5-A bipolar stepper motor driver with integrated current sensing & 1/16 microstepping

Texas Instruments

37-V, 1.5-A bipolar stepper motor driver with integrated current sensing & 1/16 microstepping RSS Sample
  • Darmowa próbka
MPN:
DRV8885
Producent:
TEXAS INSTRUMENTS
Dodany do bazy:
Ostatnio widziany:

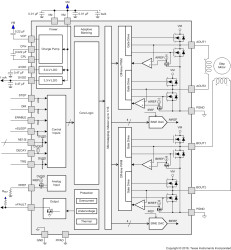
The DRV8885 is a stepper motor driver for industrial equipment applications. The device has two N-channel power MOSFET H-bridge drivers, a microstepping indexer, and integrated current sense. The DRV8885 is capable of driving up to 1.5 A full scale or 1.0 A rms output current (depending on proper PCB ground plane for thermal dissipation and at 24 V and TA = 25°C).

The DRV8885 integrated current sense functionality eliminates the need for two external sense resistors.

The STEP/DIR pins provide a simple control interface. The device can be configured in full-step up to 1/16 step modes. A low-power sleep mode is provided for very-low quiescent current standby using a dedicated nSLEEP pin.

Internal protection functions are provided for undervoltage, charge pump faults, overcurrent, short circuits, and overtemperature. Fault conditions are indicated by an nFAULT pin.

Elecena nie prowadzi sprzedaży elementów elektronicznych, ani w niej nie pośredniczy.

Produkt pochodzi z oferty sklepu