elecena.pl

I2C controlled 2A single cell USB NVDC-1 charger with adjustable voltageUSB OTG

Texas Instruments

I2C controlled 2A single cell USB NVDC-1 charger with adjustable voltageUSB OTG RSS Sample
  • Darmowa próbka
MPN:
BQ24259
Producent:
TEXAS INSTRUMENTS
Dodany do bazy:
Ostatnio widziany:

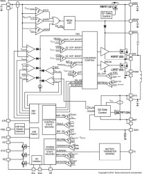
The bq24259 is a highly-integrated switch-mode battery charge management and system power path management device for 1 cell Li-Ion and Li-polymer battery in a wide range of smart phone and tablet applications. Its low impedance power path optimizes switch-mode operation efficiency, reduces battery charging time and extends battery life during discharging phase. The I2C serial interface with charging and system settings makes the device a truly flexible solution.

The device supports 3.9 V – 6.2 V USB input sources, including standard USB host port and USB charging port with 6.4 V overvoltage protection. The device supports USB 2.0 and USB 3.0 power specifications with input current and voltage regulation. To set the default input current limit, the bq24259 takes the result from the detection circuit in the system, such as USB PHY device. The device also supports USB On-the-Go operation by providing fast startup and supplying adjustable voltage 4.55 V – 5.5 V (default 5 V) on the VBUS with an accurate current limit up to 1.5 A.

The power path management regulates the system slightly above battery voltage but does not drop below 3.5 V minimum system voltage (programmable). With this feature, the system keeps operating even when the battery is completely depleted or removed. When the input source current or voltage limit is reached, the power path management automatically reduces the charge current to zero and then starts discharges the battery until the system power requirement is met. This supplement mode operation keeps the input source from getting overloaded.

The device initiates and completes a charging cycle when host control is not available. It automatically charges the battery in three phases: pre-conditioning, constant current and constant voltage. In the end, the charger automatically terminates when the charge current is below a preset limit in the constant voltage phase. Later on, when the battery voltage falls below the recharge threshold, the charger will automatically start another charging cycle.

The charge device provides various safety features for battery charging and system operation, including negative thermistor monitoring, charging safety timer and over-voltage/over-current protections. The thermal regulation reduces charge current when the junction temperature exceeds 120°C (programmable).

The STAT output reports the charging status and any fault conditions. The INT immediately notifies host when fault occurs.

The bq24259 is available in a 24-pin, 4 × 4 mm2 thin VQFN package.

Elecena nie prowadzi sprzedaży elementów elektronicznych, ani w niej nie pośredniczy.

Produkt pochodzi z oferty sklepu