elecena.pl

Enhanced Product Complete DDR2, DDR3 and DDR3L Memory Power Solution Synchronous Buck Controller

Texas Instruments

Enhanced Product Complete DDR2, DDR3 and DDR3L Memory Power Solution Synchronous Buck Controller RSS Sample
  • Darmowa próbka
MPN:
TPS51216-EP
Producent:
TEXAS INSTRUMENTS
Dodany do bazy:
Ostatnio widziany:

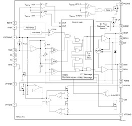
The TPS51216-EP provides a complete power supply for DDR2, DDR3 and DDR3L memory systems in the lowest total cost and minimum space. It integrates a synchronous buck regulator controller (VDDQ) with a 2-A sink/source tracking LDO (VTT) and buffered low noise reference (VTTREF). The TPS51216-EP employs D-CAP™ mode coupled with 300 kHz/400 kHz frequencies for ease-of-use and fast transient response. The VTTREF tracks VDDQ/2 within excellent 0.8% accuracy. The VTT, which provides 2-A sink/source peak current capabilities, requires only 10-µF of ceramic capacitance. In addition, a dedicated LDO supply input is available.

The TPS51216-EP provides rich useful functions as well as excellent power supply performance. It supports flexible power state control, placing VTT at high-Z in S3 and discharging VDDQ, VTT, and VTTREF (soft-off) in S4/S5 state.

Elecena nie prowadzi sprzedaży elementów elektronicznych, ani w niej nie pośredniczy.

Produkt pochodzi z oferty sklepu