GaAs MMIC I/Q Mixer, 8 - 12 GHz
Analog Devices
RSS
Sample
- Darmowa próbka
- MPN:
- HMC1056
- Producent:
- ANALOG DEVICES
- Dodany do bazy:
- Ostatnio widziany:
Sugerowane produkty dla hmc1056lp4be
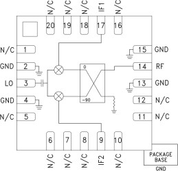
The HMC1056LP4BE is a compact I/Q MMIC mixer in a leadless “Pb free” SMT package, which can be used as either an Image Reject Mixer or a Single Sideband Upconverter. The mixer utilizes two standard Hittite double balanced mixer cells and a 90 degree hybrid fabricated in a GaAs Schottky diode process. A low frequency quadrature hybrid was used to produce a 100MHz LSB IF output. This product is a much smaller alternative to hybrid style Image Reject Mixers and Single Sideband Upconverter assemblies. The HMC1056LP4BE eliminates the need for wire bonding and allows the use of surface mount manufacturing techniques.
APPLICATIONS
* Point-to-Point and Point-to-Multi-Point Radio
* Military Radar, EW & ELINT
* Satellite Communications
* Sensors
* Wide IF Bandwidth: DC - 4 GHz
* Image Rejection: 25 dBc
* LO to RF isolation: 40 dB
Elecena nie prowadzi sprzedaży elementów elektronicznych, ani w niej nie pośredniczy.
Produkt pochodzi z oferty sklepu Analog Devices