elecena.pl

RMS Power Detector & Envelope Tracker, DC - 3.9 GHz

Analog Devices

RMS Power Detector & Envelope Tracker, DC - 3.9 GHz RSS Sample
  • Darmowa próbka
MPN:
HMC1120
Producent:
ANALOG DEVICES
Dodany do bazy:
Ostatnio widziany:

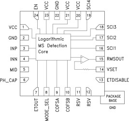
The HMC1120 is an RMS power detector with an integrated high bandwidth envelope detector. The RMS output is a temperature compensated, monotonic, linear-in-dB representation of real RF signal power, measured over an input sensing range of 70 dB. The envelope detector provides an accurate voltage output which is linearly proportional to the amplitude envelope of the RF input signal for modulation bandwidths up to 150 MHz. The high bandwidth envelope detection of the HMC1120 makes it ideal for detecting broadband and high crest factor RF signals commonly used in GSM, WCDMA, and LTE systems. Additionally, the instantaneous envelope output can be used to create fast, excessive RF power protection, PA linearization, and efficiency enhancing envelope-tracking PA implementations.

The HMC1120’s RMS detector integration bandwidth is digitally programmable via input pins SCI1-4 over a range of more than 4 decades. This allows the user to dynamically set the operation bandwidth and also permits the detection of different types of modulations on the same platform.

The HMC1120 features an internal op-amp at the RMS output stage, which accommodates slope and intercept adjustments and supports a wide range of applications.

Applications

* Log –> Root-Mean-Square (RMS) Conversion

* Tx/Rx Signal Strength Indication (TSSI / RSSI)

* RF Power Amplifier Efficiency Control

* Receiver Automatic Gain Control

* Transmitter Power Control

* Envelope Tracking

* PA Linearization

* Broadband Single-Ended RF Input

* RMS Detector with ±1 dB Detection Accuracy to 3.9 GHz

* Input Dynamic Range:

-60 dBm to +8 dBm

* ±1 dB Envelope Detection Accuracy over 30 dB Input Range

* Envelope Detection Bandwidth > 150 MHz

* Digitally Programmable Integration Bandwidth

* Power-Down Mode

* 24 Lead 4x4mm SMT Package: 16mm²

* Envelope Tracking Power-Down Mode

Elecena nie prowadzi sprzedaży elementów elektronicznych, ani w niej nie pośredniczy.

Produkt pochodzi z oferty sklepu