70 dB, Logarithmic Detector/Controller SMT, 1 - 8000 MHz
Analog Devices
RSS
Sample
- Darmowa próbka
- MPN:
- HMC602
- Producent:
- ANALOG DEVICES
- Dodany do bazy:
- Ostatnio widziany:
Sugerowane produkty dla hmc602lp4
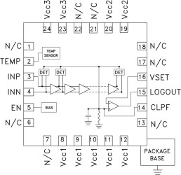
The HMC602LP4(E) Logarithmic Detector/Controller converts RF signals at its input, to a proportional DC voltage at its output. The HMC602LP4(E) employ a successive compression topology which delivers extremely high dynamic range and conversion accuracy over a wide input frequency range. As the input power is increased, successive amplifiers move into saturation one by one creating an accurate approximation of the logarithm function.
The output of a series of square law detectors is summed, converted into voltage domain and buffered to drive the LOGOUT output. For detection mode, the LOGOUT pin is shorted to the VSET input, and will provide a nominal logarithmic slope of -25mV/ dB and an intercept of 18 dBm (23 dBm for ƒ ≥ 5.8 GHz). The HMC602LP4(E) can also be used in the controller mode where an external voltage is applied to the VSET pin, to create an AGC or APC feedback loop.
Applications
* Cellular/PCS/3G
* WiMAX, WiBro, WLAN, Fixed Wireless & Radar
* Power Monitoring & Control Circuitry
* Receiver Signal Strength Indication (RSSI)
* Automatic Gain & Power Control
* Wide Dynamic Range: up to 70 dB
* High Accuracy: ±1 dB with 60 dB Range Up To 6 GHz
* Fast: 10ns Output Response Time
* Supply Voltage: +5V
* Power-Down Mode
* Excellent Stability over Temperature
* Buffered Temperature Sensor Output
* 4x4mm Leadless SMT Package
Elecena nie prowadzi sprzedaży elementów elektronicznych, ani w niej nie pośredniczy.
Produkt pochodzi z oferty sklepu Analog Devices