Logarithmic Detector Controller SMT, 50 Hz - 3 GHz
Analog Devices
RSS
Sample
- Darmowa próbka
- MPN:
- HMC612
- Producent:
- ANALOG DEVICES
- Dodany do bazy:
- Ostatnio widziany:
Sugerowane produkty dla hmc612lp4
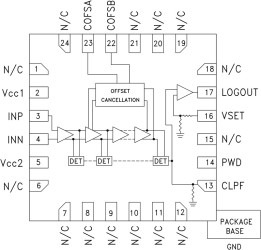
The HMC612LP4(E) Logarithmic Detector/Controller is ideal for converting input signals with frequencies in the 50 Hz to 3 GHz range, to a proportional DC voltage at its output. The HMC612LP4(E) employs a successive compression technology which delivers extremely high dynamic range and conversion accuracy over a wide input frequency range. As the input signal is increased, successive amplifiers move into saturation one by one creating an accurate approximation of the logarithm function.
The output of a series of square law detectors is summed, converted into voltage domain and buffered to drive the LOGOUT output. For detection mode, the LOGOUT pin is shorted to the VSET input and will provide a nominal logarithmic slope of 19 mV/dB and an intercept of -99 dBm. The HMC612LP4(E) can also be used in the controller mode where an external voltage is applied to the VSET pin, to create an AGC or APC feedback loop.
Applications
* Cellular/PCS/3G
* WiMAX, WiBro, WLAN, Fixed Wireless & Radar
* Power Monitoring & Control Circuitry
* Receiver Signal Strength Indication (RSSI)
* Automatic Gain & Power Control
* Wide Input Bandwidth:
* 50 Hz to 3 GHz
* Wide Dynamic Range: Up to 74 dB
* High Accuracy: ±1 dB with 60 dB Range Up to 0.9 GHz
* Supply Voltage: +2.7V to +5.5V
* Excellent Stability over Temperature
* Power-Down Mode
* Compact 4x4mm Leadless
* SMT Package
Elecena nie prowadzi sprzedaży elementów elektronicznych, ani w niej nie pośredniczy.
Produkt pochodzi z oferty sklepu Analog Devices