elecena.pl

36 Gbps, 4:1 Mux SMT with Duty Cycle Control & Programmable Output Voltage

Analog Devices

36 Gbps, 4:1 Mux SMT with Duty Cycle Control & Programmable Output Voltage RSS Sample
  • Darmowa próbka
MPN:
HMC847
Producent:
ANALOG DEVICES
Dodany do bazy:
Ostatnio widziany:

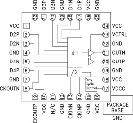
The HMC847LC5 is a 4:1 multiplexer designed for 45 Gbps data serialization. The mux latches the four differential inputs on the transition points of the input clock. The device uses both rising and falling edges of the half-rate clock to serialize the data. A quarter-rate clock output, which is synchronous to the data output of HMC847LC5, is generated on chip.

All clock and data inputs / outputs of the HMC847LC5 are CML and terminated on-chip with 50 Ohms to the, VCC, and may be DC or AC coupled. The inputs and outputs of the HMC847LC5 may be operated either differentially or single-ended. The HMC847LC5 also features an output level control pin, VCTRL, which allows for loss compensation or signal level optimization. The VDCC pin controls the data output cross-point & duty cycle. The HMC847LC5 operates from a single +3.3V supply and is available in ROHS compliant 5x5 mm SMT package.

Applications

* SONET OC-768

* RF ATE Applications

* Broadband Test & Measurement

* Serial Data Transmission up to 36 Gbps

* High Speed DAC Interfacing

* Supports Data Rates up to 36 Gbps

* Half Rate Clock Input

* Quarter Rate Reference Clock Output

* Fast Rise and Fall Times: 11 / 12 ps

Elecena nie prowadzi sprzedaży elementów elektronicznych, ani w niej nie pośredniczy.

Produkt pochodzi z oferty sklepu