elecena.pl

72 MHz Dual Programmable Low Pass Filter

Analog Devices

72 MHz Dual Programmable Low Pass Filter RSS Sample
  • Darmowa próbka
MPN:
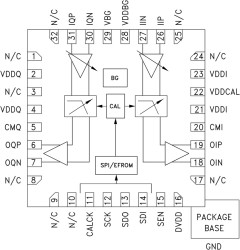
HMC1023
Producent:
ANALOG DEVICES
Dodany do bazy:
Ostatnio widziany:

The HMC1023 is a 6th order, programmable bandwidth, fully calibrated, dual low pass filter. It features programmable 0 or 10 dB gain and supports arbitrary bandwidths from 5 MHz to 72 MHz. When calibrated, the bandwidth is accurate to +/-2.5%. Built-in filter bypass option enables wider bandwidths while maintaining programmed gain and common mode control settings.

Integrated ADC driver, programmable input impedance, and adjustable output common mode voltage from 0.9 V to 3 V with 2 Vppd signal, or lower than 0.9 V common mode with lower signal swing enables simple interface while achieving maximum performance. Programmable bias settings enable performance/power dissipation trade-off optimized for each application.

Filter calibration is accomplished with any reference clock rate from 20 to 80 MHz. One time programmable (OTP) memory offers unsurpassed flexibility allowing the user “set and forget” parameters like gain and bandwidth setting.

Housed in a compact 5x5 mm SMT QFN package, the HMC1023 is pin and register compatible to the existing HMC900 programmable bandwidth Low Pass Filter. It requires minimal external components and provides a low cost alternative to more complicated switched discrete filter architectures.

The 6th order Butterworth transfer function delivers superior stop band rejection while maintaining both a flat passband and minimal group delay variation.

Applications

* Baseband filtering before or after data converters for point-to-point fixed wireless and cellular infrastructure transceivers

* Software defined radio applications

* Anti-aliasing and reconstruction filters

* Test and measurement equipment

* ADC driver applications

* Low Noise Figure: 10 dB

* High linearity:

In-Band Output IP3 > +30 dBm

In-Band Output IP2 > +60 dBm

* Pre-programmed and / or Programmable Bandwidth:

5 MHz to 72 MHz. (Please see HMC1023LP5E Ordering Information)

* Exceptional 3 dB Bandwidth Accuracy: ±2.5%

* Programmable Gain:

0 or 10 dB

* Integrated ADC Driver Amplifier

* Automatic Filter Calibration

* Externally Controlled Common Mode Output Level

* Filter Bypass Option

* Pin & Register Compatible to HMC900LP5E

* Read/Write Serial Port Interface (SPI)

* 32 Lead 5x5 mm SMT Package 25 mm²

Elecena nie prowadzi sprzedaży elementów elektronicznych, ani w niej nie pośredniczy.

Produkt pochodzi z oferty sklepu