I/Q Receiver SMT, 17 - 21 GHz
Analog Devices
RSS
Sample
- Darmowa próbka
- MPN:
- HMC570LC5
- Producent:
- ANALOG DEVICES
- Dodany do bazy:
- Ostatnio widziany:
Sugerowane produkty dla hmc570lc5
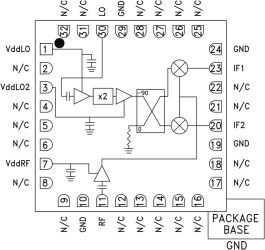
The HMC570LC5 is a compact GaAs MMIC I/Q downconverter in a leadless RoHS compliant SMT package. This device provides a small signal conversion gain of 10 dB with a noise figure of 3 dB and 18 dB of image rejection across the frequency band. The HMC570LC5 utilizes an LNA followed by an image reject mixer which is driven by an active x2 multiplier. The image reject mixer eliminates the need for a filter following the LNA, and removes thermal noise at the image frequency.
I and Q mixer outputs are provided and an external 90° hybrid is needed to select the required sideband. The HMC570LC5 is a much smaller alternative to hybrid style image reject mixer downconverter assemblies, and it eliminates the need for wire bonding by allowing the use of surface mount manufacturing techniques.
APPLICATIONS
* Point-to-Point
* Point-to-Multi-Point Radio
* Military Radar, EW & ELINT
* Satellite Communications
* Conversion Gain: 10 dB
* Image Rejection: 18 dB
* 2 LO to RF Isolation: 65 dB
* Noise Figure: 3 dB
Elecena nie prowadzi sprzedaży elementów elektronicznych, ani w niej nie pośredniczy.
Produkt pochodzi z oferty sklepu Analog Devices