12.5 Gbps Limiting Amplifier SMT
Analog Devices
RSS
Sample
- Darmowa próbka
- MPN:
- HMC750
- Producent:
- ANALOG DEVICES
- Dodany do bazy:
- Ostatnio widziany:
Sugerowane produkty dla oc192
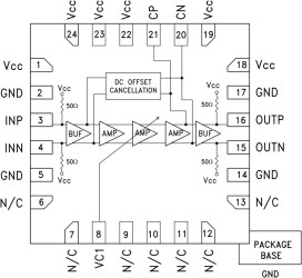
HMC750 is a limiting amplifier designed to support data transmission rates up to 12.5 Gbps. The amplifier can operate over a wide range of input voltage levels and provides constant-level differential output swing. HMC750 also features an output level control pin, VC1, which allows for loss compensation or for signal level optimization. Differential output signal swing can be adjustable up to 880 mVp-p. Input signals higher than 3 mVp-p can be amplified to saturated 880 mVp-p differential signal.
All single-ended input signals to the HMC750 are terminated with 50 ohms to +5V on-chip, and may be either AC or DC coupled. The outputs of the HMC750 may be operated either differentially or single-ended. Outputs can be connected directly to a 50 ohm terminated system referenced to +5V, while DC blocking capacitors may be used if the terminating system is 50 Ω to a non +5V voltage. The HMC750 operates from a single +5V DC supply and is available in a plastic RoHS compliant 4×4 mm SMT package.
APPLICATIONS
* OC-192 Receivers
* 10 Gbps Ethernet Receivers
* 10 Gbps Fiber Channel Receivers
* Broadband Test & Measurement
* Supports Data Rates up to 12.5 Gbps
* Differential Gain: 44 dB
* 2mVp-p Input Sensitivity
* 3 dB Bandwidth: 11 GHz
* Integrated DC Offset Correction
* Single +5V Power Supply
Elecena nie prowadzi sprzedaży elementów elektronicznych, ani w niej nie pośredniczy.
Produkt pochodzi z oferty sklepu Analog Devices