elecena.pl

Highly Integrated Digital Controller for Isolated Power

Texas Instruments

Highly Integrated Digital Controller for Isolated Power RSS Sample
  • Darmowa próbka
MPN:
UCD3138064A
Producent:
TEXAS INSTRUMENTS
Dodany do bazy:
Ostatnio widziany:

The SN3138064A is a digital power supply controller from Texas Instruments offering superior levels of integration and performance in a single-chip solution. The SN3138064A, in comparison to Texas Instruments UCD3138 digital power controller (), offers 64 kB of program Flash memory (vs 32 kB in UCD3138) and additional options for communication such as SPI and a second I2C port. The availability of 64 kB of program Flash memory in 2-32 kB banks, enables the designers to implement dual images of firmware (e.g. one main image + one back-up image) in the device and the flexibility to execute from either of the banks using appropriate algorithms. It also creates the unique opportunity for the processor to load a new program and subsequently execute that program without interrupting power delivery. This feature allows the end user to add new features to the power supply in the field while eliminating any down-time required to load the new program.

The flexible nature of the SN3138064A makes it suitable for a wide variety of power conversion applications. In addition, multiple peripherals inside the device have been specifically optimized to enhance the performance of AC/DC and isolated DC/DC applications and reduce the solution component count in the IT and network infrastructure space. The SN3138064A is a fully programmable solution offering customers complete control of their application, along with ample ability to differentiate their solution. At the same time, TI is committed to simplifying our customers' development effort through offering best in class development tools, including application firmware, Code Composer StudioTM software development environment, and TI’s Fusion Power Development GUI which let customers configure and monitor key system parameters.

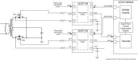
At the core of the SN3138064A controller are the Digital Power Peripherals (DPP). Each DPP implements a high-speed digital control loop consisting of a dedicated Error Analog-to-Digital Converter (EADC), a PID-based 2-pole/general-purpose ADC with up to 14 channels2-zero digital compensator and DPWM outputs with 250-ps pulse width resolution. The device also contains a 12-bit, 267-ksps general-purpose ADC with up to 14 channels, timers, interrupt control, PMBus, I2C, SPI and UART communications ports. The device is based on a 32-bit ARM7TDMI-S RISC microcontroller that performs real-time monitoring, configures peripherals, and manages communications. The ARM microcontroller executes its program out of programmable flash memory as well as on chip RAM and ROM.

In addition to the DPP, specific power management peripherals have been added to enable high efficiency across the entire operating range, high integration for increased power density, reliability, and lowest overall system cost and high flexibility with support for the widest number of control schemes and topologies. Such peripherals include: light load burst mode, synchronous rectification, automatic mode switching, input voltage feed forward, copper trace current sense, ideal diode emulation, constant current constant power control, synchronous rectification soft on and off, peak current mode control, flux balancing, secondary side input voltage sensing, high-resolution current sharing, hardware-configurable soft start with pre bias, as well as several other features. Topology support has been optimized for voltage mode and peak current mode controlled phase shifted full bridge, single and dual phase PFC, bridgeless PFC, hard switched full bridge and half bridge, and LLC half bridge and full bridge.

The SN3138064A is a functional variant of the SN3138064A Digital Power Controller that includes significant improvements over the UCD3138064. For a description of the complete changes made in the SN3138064A, refer to . The major improvements are:

The General Purpose ADC has been improved for better accuracy and performance at extreme cold temperatures (–40°C).

The UART peripheral has been modified to include a hardware based auto-baud rate adjustment feature.

A new Synchronous Rectifier Dead Time Optimization hardware peripheral has been added. Benefits include: Improved efficiency Reduced synchronous rectifier voltage stressesShorter development cycle

A Duty Cycle Read Function has been added to improve use in peak current mode.

Elecena nie prowadzi sprzedaży elementów elektronicznych, ani w niej nie pośredniczy.

Produkt pochodzi z oferty sklepu