Power Management IC (PMIC) For Low Power Handheld Applications
Texas Instruments
RSS
Sample
Przejdź do sklepu »
- Darmowa próbka
- MPN:
- LP3905
- Producent:
- TEXAS INSTRUMENTS
- Dodany do bazy:
- Ostatnio widziany:
Sugerowane produkty dla lp3905
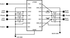
LP3905 is a multi-functional Power Management Unit, optimized for low power handheld applications. This device integrates two 600mA DC-DC buck regulators and two 150mA linear regulators. Fixed and adjustable buck output versions are available. The LP3905 additionally features two enable pins for the device output control and is offered in an WSON package.
Elecena nie prowadzi sprzedaży elementów elektronicznych, ani w niej nie pośredniczy.
Produkt pochodzi z oferty sklepu Texas Instruments