elecena.pl

Complete Quad, 16-Bit, High Accuracy, Serial Input, ±5 V DAC

Analog Devices

Complete Quad, 16-Bit, High Accuracy, Serial Input, ±5 V DAC RSS Sample
  • Darmowa próbka
MPN:
AD5765
Producent:
ANALOG DEVICES
Dodany do bazy:
Ostatnio widziany:
Zmiana ceny:
-100% (18.01.2025)
Poprzednia cena:
22.97

The AD5765 is a quad, 16-bit, serial input, bipolar voltage output, digital-to-analog converter (DAC) that operates from supply voltages of ±4.75 V to ±5.25 V. The nominal full-scale output range is ±4.096 V. The AD5765 provides integrated output amplifiers, reference buffers, and proprietary power-up/power-down control circuitry. The part also features a digital I/O port, which is programmed via the serial interface. The part incorporates digital offset and gain adjustment registers per channel.

The AD5765 is a high performance converter that offers guaranteed monotonicity, integral nonlinearity (INL) of ±1 LSB, low noise, and 10 μs settling time. During power-up (when the supply voltages are changing), the outputs are clamped to 0 V via a low impedance path.

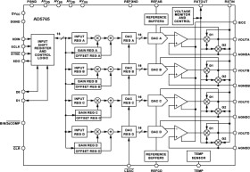
The AD5765 uses a serial interface that operates at clock rates of up to 30 MHz and is compatible with DSP and microcontroller interface standards. Double buffering allows the simultaneous updating of all DACs. The input coding is programmable to either a twos complement or an offset binary format. The asynchronous clear function clears all DAC registers to either bipolar zero or zero scale, depending on the coding used. The AD5765 is ideal for both closed-loop servo control and open-loop control applications. The AD5765 is available in a 32-lead TQFP and offers guaranteed specifications over the −40°C to +105°C industrial temperature range. Figure 1 contains a functional block diagram of the AD5765.

APPLICATIONS

* Industrial automation

* Open-/closed-loop servo control

* Process control

* Data acquisition systems

* Automatic test equipment

* Automotive test and measurement

* High accuracy instrumentation

* Programmable output range: ±4.096 V, ±4.201 V, or ±4.311 V

* ±1 LSB maximum INL error, ±1 LSB maximum DNL error

* Low noise: 70 nV/√Hz

* Settling time: 10 μs maximum

* Integrated reference buffers

Elecena nie prowadzi sprzedaży elementów elektronicznych, ani w niej nie pośredniczy.

Produkt pochodzi z oferty sklepu