elecena.pl

4.5V to 28V Input, 2A Output, EMI Friendly Synchronous Step-Down Converter

Texas Instruments

4.5V to 28V Input, 2A Output, EMI Friendly Synchronous Step-Down Converter RSS Sample
  • Darmowa próbka
MPN:
TPS54202
Producent:
TEXAS INSTRUMENTS
Dodany do bazy:
Ostatnio widziany:

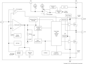
The TPS54202 is a 4.5-V to 28-V input voltage range, 2-A synchronous buck converter. The device includes two integrated switching FETs, internal loop compensation and 5-ms internal soft start to reduce component count.

By integrating the MOSFETs and employing the SOT-23 package, the TPS54202 achieves the high power density and offers a small footprint on the PCB.

Advanced Eco-mode implementation maximizes the light load efficiency and reduces the power loss.

The frequency spread spectrum operation is introduced for EMI reduction.

Cycle-by-cycle current limit in both high-side MOSFET protects the converter in an overload condition and is enhanced by a low-side MOSFET freewheeling current limit which prevents current runaway. Hiccup mode protection is triggered if the overcurrent condition has persisted for longer than the present time.

Elecena nie prowadzi sprzedaży elementów elektronicznych, ani w niej nie pośredniczy.

Produkt pochodzi z oferty sklepu