elecena.pl

Programmable mid input voltage range Power Management IC (PMIC) for Apollo Lake processors

Texas Instruments

Programmable mid input voltage range Power Management IC (PMIC) for Apollo Lake processors RSS Sample
  • Darmowa próbka
MPN:
TPS65094
Producent:
TEXAS INSTRUMENTS
Dodany do bazy:
Ostatnio widziany:

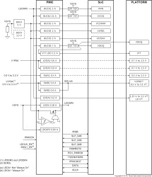
The TPS65094 device is a single-chip solution, power-management integrated chip (PMIC) designed specifically for the latest Intel™ processors targeted for tablets, ultrabooks, notebooks, industrial PCs, and Internet-of-Things (IOT) applications using 2S, 3S, or 4S Li-Ion battery packs (NVDC or non-NVDC power architectures), as well as wall-powered applications. The TPS65094 device is used for essential systems with low-voltage rails merged for the smallest footprint and lowest-cost system-power solution. The TPS65094 device provides the complete power solution based on the Intel Reference Designs. Six highly efficient step-down voltage regulators (VRs), a sink or source LDO (VTT), and a load switch are controlled by power-up sequence logic to provide the proper power rails, sequencing, and protection—including DDR3 and DDR4 memory power. The two regulators (BUCK1 and BUCK2) support dynamic voltage scaling (DVS) for maximum efficiency—including support for connected standby. The high-frequency VRs use small inductors and capacitors to achieve a small solution size. An I2C interface allows simple control by an embedded controller (EC) or by a system on chip (SoC).

The PMIC comes in an 8mm × 8mm single-row VQFN package with a thermal pad for good thermal dissipation and ease of board routing.

Elecena nie prowadzi sprzedaży elementów elektronicznych, ani w niej nie pośredniczy.

Produkt pochodzi z oferty sklepu