elecena.pl

10-bit 65 MSPS 6 Channel Imaging Signal Processor

Texas Instruments

10-bit 65 MSPS 6 Channel Imaging Signal Processor RSS Sample
  • Darmowa próbka
MPN:
LM98519
Producent:
TEXAS INSTRUMENTS
Dodany do bazy:
Ostatnio widziany:

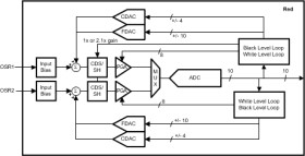
The LM98519 is a fully integrated, high performance 10-Bit, 65 MSPS signal processing solution for digital color copiers, scanners, and other image processing applications. High-speed signal throughput is achieved with an innovative six channel architecture utilizing Correlated Double Sampling (CDS), or Sample and Hold (SH) type sampling. 1x or 2x gain settings are available in the CDS/SH input stage. Each channel has a dedicated 1x to 10x (8 bit) PGA that allows accurate gain adjustment of each channel. The Digital White Level auto calibration loop can automatically set the PGA value to achieve a selected white target level. Each channel also has a ±4-bit coarse and ±10-bit fine analog offset correction DAC that allows offset correction before the sample-and-hold amplifier. These correction values can be controlled by an automated Digital Black Level correction loop. The PGA and offset DACs for each channel are programmed independently allowing unique values of gain and offset for each of the six channels. A 2-to-1 multiplexing scheme routes the signals to three 65-MHz high performance ADCs. The fully differential processing channels achieve exceptional noise immunity, having a very low noise floor of –67.5 dB. The 10-bit analog-to-digital converters have excellent dynamic performance making the LM98519 transparent in the image reproduction chain.

Elecena nie prowadzi sprzedaży elementów elektronicznych, ani w niej nie pośredniczy.

Produkt pochodzi z oferty sklepu