USB3.1 10Gbps Dual Channel Linear Redriver
Texas Instruments
RSS
Sample
- Darmowa próbka
- MPN:
- TUSB1002
- Producent:
- TEXAS INSTRUMENTS
- Dodany do bazy:
- Ostatnio widziany:
Sugerowane produkty dla ultralowpower
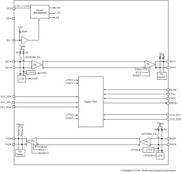
The TUSB1002 is the industry’s first dual-channel USB 3.1 SuperSpeedPlus (SSP) redriver and signal conditioner. The device offers low power consumption on a 3.3-V supply with its ultra-low-power architecture. It supports the USB3.1 low power modes which further reduces idle power consumption.
The TUSB1002 implements a linear equalizer, supporting up to 16 dB of loss due to Inter-Symbol Interference (ISI). When USB signals travel across a PCB or cable, signal integrity degrades due to loss and inter-symbol interference. The linear equalizer compensates for the channel loss, and thereby, extends the channel length and enables systems to pass USB compliance. The dual lane implementation and small package size provides flexibility in the placement of the TUSB1002 in the USB3.1 path.
The TUSB1002 is available in either a a 24-pin 4 mm x 4 mm VQFN. It is also available in a commercial grade (TUSB1002).
Elecena nie prowadzi sprzedaży elementów elektronicznych, ani w niej nie pośredniczy.
Produkt pochodzi z oferty sklepu Texas Instruments