Enhanced scan bridge multidrop addressable IEEE 1149.1 (JTAG) port
Texas Instruments
RSS
Sample
- Darmowa próbka
- MPN:
- SCANSTA111
- Producent:
- TEXAS INSTRUMENTS
- Dodany do bazy:
- Ostatnio widziany:
Sugerowane produkty dla ieee1149
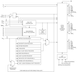
The SCANSTA111 extends the IEEE Std. 1149.1 test bus into a multidrop test bus environment. The advantage of a multidrop approach over a single serial scan chain is improved test throughput and the ability to remove a board from the system and retain test access to the remaining modules. Each SCANSTA111 supports up to 3 local IEEE 1149.1 scan rings which can be accessed individually or combined serially. Addressing is accomplished by loading the instruction register with a value matching that of the Slot inputs. Backplane and inter-board testing can easily be accomplished by parking the local TAP Controllers in one of the stable TAP Controller states via a Park instruction. The 32-bit TCK counter enables built in self test operations to be performed on one port while other scan chains are simultaneously tested.
Elecena nie prowadzi sprzedaży elementów elektronicznych, ani w niej nie pośredniczy.
Produkt pochodzi z oferty sklepu Texas Instruments