elecena.pl

Automotive, Base Station IC

Texas Instruments

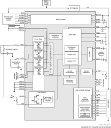
The TRF4140-Q1 low-frequency (LF) transceiver base station device is intended for immobilizer and PEPS systems to communicate with LF transponders, remote keyless entry, and passive entry devices. The antenna driver stage consists of four MOSFET antenna drivers to send modulated LF transmissions and a receiver for detection and demodulation of LF transponder responses. The HDX communication scheme uses frequency shift keying (FSK) as the uplink modulation. The device can drive LF antennas to provide a wake-up and data sequence (PEPS), and it can also receive transponder responses on any or all channels (immobilizer).

The TRF4140-Q1 device needs VDD supply (5 V) for its control blocks and to feed the integrated logic voltage regulator. The antenna driver is supplied separately by VDDH (4 V to 20 V). This voltage can be used to generate a sine-wave output signal for superior EMC performance, which is important for remote antenna applications with several meters of antenna cable.

The TRF4140-Q1 device manages all timings required for a communication sequence without the need for an accurate host controller interaction. In conjunction with transmit and receive FIFOs, the host controller is off-loaded from all timing-critical events, which enables easy host controller process scheduling. In particular, the host controller start-up process for an automotive body control module is tremendously relaxed by this base station device.

The TRF4140-Q1 device supports sequence preloading and sequence execution on external events to start the immobilization process exactly when the key fob is detected. So, delays due to configuration can be avoided in inconvenient time frames.

Elecena nie prowadzi sprzedaży elementów elektronicznych, ani w niej nie pośredniczy.

Produkt pochodzi z oferty sklepu