elecena.pl

3.8-V to 17-V, 12-A synchronous SWIFT™ buck converter with D-CAP3 control

Texas Instruments

3.8-V to 17-V, 12-A synchronous SWIFT™ buck converter with D-CAP3 control RSS Sample
  • Darmowa próbka
MPN:
TPS56C215
Producent:
TEXAS INSTRUMENTS
Dodany do bazy:
Ostatnio widziany:

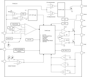
The TPS56C215 is a small monolithic 12A synchronous buck converter with an adaptive on-time D-CAP3 control mode. The device integrates low RDS(on) power MOSFETs that enable high efficiency and offers ease-of-use with minimum external component count for space-conscious power systems. Competitive features include a very accurate reference voltage, fast load transient response, auto-skip mode operation for light load efficiency, adjustable current limit and no requirement for external compensation. A forced continuous conduction mode helps meet tight voltage regulation accuracy requirements for performance DSPs and FPGAs. The TPS56C215 is available in a thermally enhanced, 18-pin, HotRod QFN package and is designed to operate from –40°C to 150°C junction temperature.

Elecena nie prowadzi sprzedaży elementów elektronicznych, ani w niej nie pośredniczy.

Produkt pochodzi z oferty sklepu