elecena.pl

Medium Power Amplifier Chip, 81 - 86 GHz

Analog Devices

Medium Power Amplifier Chip, 81 - 86 GHz RSS Sample
  • Darmowa próbka
MPN:
HMC-APH634-DIE
Producent:
ANALOG DEVICES
Dodany do bazy:
Ostatnio widziany:

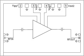
The HMC-APH634 is a two stage GaAs HEMT MMIC Medium Power Amplifier which operates between 81 and 86 GHz. The HMC-APH634 provides 12 dB of gain, and an output power of up to +20 dBm at 1 dB compression from a +4V supply. All bond pads and the die backside are Ti/Au metallized. The HMC-APH634 GaAs HEMT MMIC Medium Power Amplifier is compatible with conventional die attach methods, as well as thermocompression and thermosonic wire bonding, making it ideal for MCM and hybrid microcircuit applications. All data shown herein is measured with the chip in a 50 Ohm environment and contacted with RF probes.

Applications

* Short Haul / High Capacity Links

* Test & Measurement

* E-Band Communication Systems

* High Gain: 12 dB

* High P1dB: +19 dBm

* Supply Voltage: +4V

* 50 Ohm Matched Input/Output

* Die Size:

2.57 x 1.70 x 0.05 mm

Elecena nie prowadzi sprzedaży elementów elektronicznych, ani w niej nie pośredniczy.

Produkt pochodzi z oferty sklepu