elecena.pl

20V, 500mA, Ultralow Noise, Ultrahigh PSRR Linear Regulator

Analog Devices

20V, 500mA, Ultralow Noise, Ultrahigh PSRR Linear Regulator RSS Sample
  • Darmowa próbka
MPN:
LT3045
Producent:
ANALOG DEVICES
Dodany do bazy:
Ostatnio widziany:
Zmiana ceny:
-100% (19.01.2025)
Poprzednia cena:
3.37

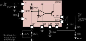
The LT3045 is a high performance low dropout linear regulator featuring LTC’s ultralow noise and ultrahigh PSRR architecture for powering noise sensitive applications. Designed as a precision current reference followed by a high performance voltage buffer, the LT3045 can be easily paralleled to further reduce noise, increase output current and spread heat on the PCB.

The device supplies 500mA at a typical 260mV dropout voltage. Operating quiescent current is nominally 2.2mA and drops to <<1µA in shutdown. The LT3045’s wide output voltage range (0V to 15V) while maintaining unity-gain operation provides virtually constant output noise, PSRR, bandwidth and load regulation, independent of the programmed output voltage. Additionally, the regulator features programmable current limit, fast start-up capability and programmable power good to indicate output voltage regulation.

The LT3045 is stable with a minimum 10µF ceramic output capacitor. Built-in protection includes reverse-battery protection, reverse-current protection, internal current limit with foldback and thermal limit with hysteresis. The LT3045 is available in thermally enhanced 12-Lead MSOP and 10-Lead 3mm × 3mm DFN packages.

The LT3045-EP supports defense and aerospace applications (AQEC).

VIOC Function

LT3045-1

Yes

LT3045

No

Applications

* RF Power Supplies: PLLs, VCOs, Mixers, LNAs, PAs

* Very Low Noise Instrumentation

* High Speed/High Precision Data Converters

* Medical Applications: Imaging, Diagnostics

* Precision Power Supplies

* Post-Regulator for Switching Supplies

* Ultralow RMS Noise: 0.8µVRMS (10Hz to 100kHz)

* Ultralow Spot Noise: 2nV/√Hz at 10kHz

* Ultrahigh PSRR: 76dB at 1MHz

* Output Current: 500mA

* Wide Input Voltage Range: 1.8V to 20V

* Single Capacitor Improves Noise and PSRR

* 100µA SET Pin Current: ±1% Initial Accuracy

* Single Resistor Programs Output Voltage

* High Bandwidth: 1MHz

* Programmable Current Limit

* Low Dropout Voltage: 260mV

* Output Voltage Range: 0V to 15V

* Programmable Power Good

* Fast Start-Up Capability

* Precision Enable/UVLO

* Parallelable for Lower Noise and Higher Current

* See data sheet for additional features

Elecena nie prowadzi sprzedaży elementów elektronicznych, ani w niej nie pośredniczy.

Produkt pochodzi z oferty sklepu