elecena.pl

Wide Input Range, No R Current Mode Boost, Flyback and SEPIC Controller

Analog Devices

Wide Input Range, No R Current Mode Boost, Flyback and SEPIC Controller RSS Sample
  • Darmowa próbka
MPN:
LTC1871-1
Producent:
ANALOG DEVICES
Dodany do bazy:
Ostatnio widziany:
Zmiana ceny:
-100% (19.01.2025)
Poprzednia cena:
3.19

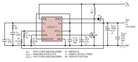
The LTC1871-1 is a wide input range, current mode, boost, flyback or SEPIC controller that drives an Nchannel power MOSFET and requires very few external components. It eliminates the need for a current sense resistor by utilizing the power MOSFET’s on-resistance, thereby maximizing efficiency. Higher output voltage applications are possible with the LTC1871-1 by connecting the SENSE pin to a resistor in the source of the power MOSFET.

The IC’s operating frequency can be set with an external resistor over a 50kHz to 1MHz range, and can be synchronized to an external clock using the MODE/SYNC pin.

The LTC1871-1 differs from the LTC1871 by having a lower pulse skip threshold, making it ideal for applications requiring constant frequency operation at light loads. The lower pulse skip threshold also helps maintain constant frequency operation in applications with a wide input voltage range. For applications requiring primary-to-secondary side isolation, please refer to the LTC1871 datasheet.

The LTC1871-1 is available in the 10-lead MSOP package.

Vin Range

INTVcc

Features

LTC1871

2.5V to 36V

5.2V

-

LTC1871-1

2.5V to 36V

5.2V

Lower Burst Mode Threshold (0.195V vs. 0.3V)

LTC1871-7

6V to 36V

7V

Drives 6V Gate N-Channel MOSFETs

LTC1871X

2.5V to 36V

5.2V

175°C Junction Temp, 100% Tested at 175°C

Applications

* Telecom Power Supplies

* Portable Electronic Equipment

* High Efficiency (No Sense Resistor Required)

* Wide Input Voltage Range: 2.5V to 36V

* Current Mode Control Provides Excellent Transient Response

* High Maximum Duty Cycle (92% Typ)

* ±2% RUN Pin Threshold with 100mV Hysteresis

* ±1% Internal Voltage Reference

* Ultra Low Pulse Skip Threshold for Wide Input Range Applications

* Micropower Shutdown: IQ = 10μA

* Programmable Operating Frequency (50kHz to 1MHz) with One External Resistor

Elecena nie prowadzi sprzedaży elementów elektronicznych, ani w niej nie pośredniczy.

Produkt pochodzi z oferty sklepu