elecena.pl

4.5-V to 17-V, 8-A synchronous SWIFT™ buck converter with D-CAP3 control

Texas Instruments

4.5-V to 17-V, 8-A synchronous SWIFT™ buck converter with D-CAP3 control RSS Sample
  • Darmowa próbka
MPN:
TPS568215
Producent:
TEXAS INSTRUMENTS
Dodany do bazy:
Ostatnio widziany:

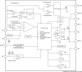
The TPS568215 is TI’s smallest, monolithic, 8-A, synchronous buck converter with an adaptive on-time D-CAP3™ control mode. The device integrates low R DS(on) power MOSFETs that enable high efficiency and offers ease-of-use with minimum external component count for space-conscious power systems. Key features include a very accurate reference voltage, fast load transient response, auto-skip mode operation for light load efficiency, adjustable current limit, and no requirement for external compensation. A forced continuous conduction mode helps meet tight voltage regulation accuracy requirements for performance DSPs and FPGAs. The TPS568215 is available in a thermally enhanced 18-pin HotRod QFN package and is designed to operate from –40°C to 150°C junction temperature. TPS568215 is pin-to-pin compatible with TPS56C215 which gives the user flexibility to pick solutions from 6 A to 12 A in the same footprint.

Elecena nie prowadzi sprzedaży elementów elektronicznych, ani w niej nie pośredniczy.

Produkt pochodzi z oferty sklepu