elecena.pl

Complete Quad, 16-Bit, High Accuracy, Serial Input, Bipolar Voltage Output DAC

Analog Devices

Complete Quad, 16-Bit, High Accuracy, Serial Input, Bipolar Voltage Output DAC RSS Sample
  • Darmowa próbka
MPN:
AD5764
Producent:
ANALOG DEVICES
Dodany do bazy:
Ostatnio widziany:
Zmiana ceny:
-100% (17.01.2025)
Poprzednia cena:
27.46

NEWER ALTERNATIVES:

* AD5764R Quad, 16-Bit, 1LSB INL, Bipolar Voltage Output DAC with Internal Reference

* AD5754R Complete, Quad, 16-Bit, Unipolar/Bipolar Voltage Output DAC with Internal Reference

* AD5754 Complete, Quad, 16-Bit, Unipolar/Bipolar Voltage Output DAC

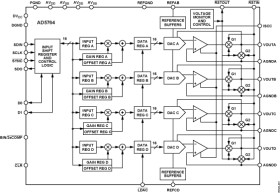
The AD5764 is a quad, 16-bit, serial input, bipolar voltage output DAC that operates from supply voltages of ±11.4 V to ±16.5 V. Nominal full-scale output range is ±10 V. The AD5764 provides integrated output amplifiers, reference buffers, and proprietary power-up/power-down control circuitry. The part also features a digital I/O port that is programmed via the serial interface. The part incorporates digital offset and gain adjust registers per channel.

The AD5764 is a high performance converter that offers guaranteed monotonicity, integral nonlinearity (INL) of ±1 LSB, low noise, and 10 μs settling time. During power-up (when the supply voltages are changing), VOUTx is clamped to 0 V via a low impedance path.

The AD5764 uses a serial interface that operates at clock rates of up to 30 MHz and is compatible with DSP and microcontroller interface standards. Double buffering allows the simultaneous updating of all DACs. The input coding is programmable to either twos complement or offset binary formats. The asynchronous clear function clears the data register to either bipolar zero or zero scale depending on the coding used. The AD5764 is ideal for both closed-loop servo control and open-loop control applications. The AD5764 is available in a 32-lead TQFP, and offers guaranteed specifications over the −40°C to +85°C industrial temperature range. See Figure 1 for the functional block diagram.

APPLICATIONS

* Industrial automation

* Open-loop/closed-loop servo control

* Process control

* Data acquisition systems

* Automatic test equipment

* Automotive test and measurement

* High accuracy instrumentation

* Complete quad, 16-bit digital-to-analog converter (DAC)

* Programmable output range ±10 V, ±10.2564 V, or ±10.5263 V

* ±1 LSB maximum INL error,

±1 LSB maximum DNL error

* Low noise: 60 nV/√Hz

* Settling time: 10 μs maximum

* Integrated reference buffers

* Output control during power-up/brownout

* Programmable short-circuit protection

* See Data Sheet for Additional Information

Elecena nie prowadzi sprzedaży elementów elektronicznych, ani w niej nie pośredniczy.

Produkt pochodzi z oferty sklepu