elecena.pl

Step-down DC-DC converter with integrated low dropout regulator and startup mode

Texas Instruments

Step-down DC-DC converter with integrated low dropout regulator and startup mode RSS Sample
  • Darmowa próbka
MPN:
LM3687
Producent:
TEXAS INSTRUMENTS
Dodany do bazy:
Ostatnio widziany:

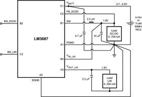
The LM3687 is a step-down DC-DC converter with an integrated low dropout Linear Regulator optimized for powering ultra-low voltage circuits from a single Li-Ion cell or 3 cell NiMH/NiCd batteries. It provides a dual output with fixed output voltages and combined load current up to 750mA in post regulation mode or 1100mA in independent mode of operation, over an input voltage range from 2.7V to 5.5V. There are several different fixed output voltage combinations available (refer to ).

The Linear Regulator being driven from the fixed output voltage of the buck converter (post regulation) translates to high efficiency.

The device offers superior features and performance for mobile phones and similar portable applications with complex power management systems. Automatic intelligent switching between PWM low-noise and PFM low-current mode offers improved efficiency over the full load current range. During full-power operation, a fixed-frequency 1.8MHz (typ.) PWM mode drives loads from ~80mA to 750mA max. Hysteretic PFM mode extends the battery life through reduction of the quiescent current during light loads and system standby.

The LM3687 also features internal protection against over-temperature, current overload and under-voltage conditions.

Two enable pins allow the separate operation of either the DC-DC or the Linear Regulator alone or both. If the power input voltage for the Linear Regulator VINLIN is not sufficiently high (e.g. the DC-DC converter is not enabled or starting up) a startup LDO supplies the Linear Regulator Output from VBATT for 50mA rated load current (Startup Mode). If VINLIN is at the required voltage level, the startup LDO is deactivated and the main regulator provides 350mA output current. In shutdown mode (Enable pins pulled low) the device turns off and reduces battery consumption to 0.1µA (typ.).

The LM3687 is available in a tiny, lead-free (NO PB) 9-bump DSBGA package. A high switching frequency of 1.8MHz (typ.) allows the use of tiny surface-mount components. Only four external components -one inductor and three ceramic capacitors- are required.

Elecena nie prowadzi sprzedaży elementów elektronicznych, ani w niej nie pośredniczy.

Produkt pochodzi z oferty sklepu