elecena.pl

Active-low reset IC with programmable delay and 1% reset threshold

Texas Instruments

Active-low reset IC with programmable delay and 1% reset threshold RSS Sample
  • Darmowa próbka
MPN:
LP3470
Producent:
TEXAS INSTRUMENTS
Dodany do bazy:
Ostatnio widziany:

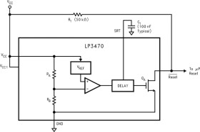
The LP3470 device is a micropower voltage supervisory circuit designed to monitor voltages within 1% of reset threshold over temperature. It provides maximum adjustability for power-on-reset (POR) and supervisory functions.

The LP3470 asserts a reset signal whenever the VCC supply voltage falls below a reset threshold. The reset time-out period is adjustable using an external capacitor. Reset remains asserted for an interval (programmed by an external capacitor) after VCC has risen above the threshold voltage.

For information on available reset threshold voltage options, see Mechanical, Packaging, and Orderable Information.

Elecena nie prowadzi sprzedaży elementów elektronicznych, ani w niej nie pośredniczy.

Produkt pochodzi z oferty sklepu