Quad-channel, 14-bit, 1-GSPS telecom receiver and feedback IC
Texas Instruments
RSS
Sample
- Darmowa próbka
- MPN:
- ADS58J64
- Producent:
- TEXAS INSTRUMENTS
- Dodany do bazy:
- Ostatnio widziany:
Sugerowane produkty dla ads58j64
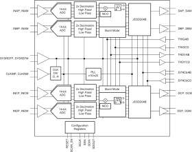
The ADS58J64 is a low-power, wide-bandwidth, 14-bit, 1-GSPS, quad-channel, telecom receiver device. The ADS58J64 supports a JESD204B serial interface with data rates up to 10 Gbps with one lane per channel. The buffered analog input provides uniform input impedance across a wide frequency range and minimizes sample-and-hold glitch energy. The ADS58J64 provides excellent spurious-free dynamic range (SFDR) over a large input frequency range with very low power consumption. The digital signal processing block includes complex mixers followed by low-pass filters with decimate-by-2 and -4 options supporting up to a 200-MHz receive bandwidth. The ADS58J64 also supports a 14-bit, 500-MSPS output in burst mode, making the device suitable for a digital pre-distortion (DPD) observation receiver.
The JESD204B interface reduces the number of interface lines, thus allowing high system integration density. An internal phase-locked loop (PLL) multiplies the incoming analog-to-digital converter (ADC) sampling clock to derive the bit clock that is used to serialize the 14-bit data from each channel.
Elecena nie prowadzi sprzedaży elementów elektronicznych, ani w niej nie pośredniczy.
Produkt pochodzi z oferty sklepu Texas Instruments