elecena.pl

Wide V, Multi-Output DC/DC Converter and PowerPath Controller

Analog Devices

Wide V, Multi-Output DC/DC Converter and PowerPath Controller RSS Sample
  • Darmowa próbka
MPN:
LTC3101
Producent:
ANALOG DEVICES
Dodany do bazy:
Ostatnio widziany:
Zmiana ceny:
-100% (18.01.2025)
Poprzednia cena:
4.72

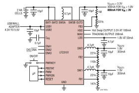
The LTC3101 is a complete power management solution for low power portable devices. It provides three high efficiency switching DC/DC converters which seamlessly transition from battery to USB/wall adapter power when available. A synchronous buck-boost regulator provides complete flexibility, allowing operation from a single Li-Ion/Polymer battery, 2 to 3 AA cells, a USB port or any other power source operating from 1.8V to 5.5V.

Two always-alive outputs, a 50mA LDO and a 200mA MAX output that tracks the higher voltage input supply, provide power for critical functions or additional external regulators. Flash memory cards can be directly powered from the protected 100mA Hot Swap output. Pushbutton control logic and a programmable-duration microprocessor reset generator simplify interfacing to a microprocessor while internal sequencing and independent enable pins provide flexible power-up options. The LTC3101 is available in a low profile (0.75mm) 24-lead 4mm × 4mm QFN package.

Applications

* Ultra-Portable Digital Video Cameras

* Personal Handheld GPS Navigators

* Portable Medical Instruments

* Low Loss PowerPath™ Control: Seamless, Automatic Transition from Battery to USB or Wall Adapter Power

* Wide VIN Range: 1.8V to 5.5V

* Buck-Boost VOUT: 1.5V to 5.25V

* Buck-Boost Generates 3.3V at 300mA for VIN ≥ 1.8V, 3.3V at 800mA for VIN ≥ 3V

* Dual 350mA Buck Regulators, VOUT: 0.6V to VIN

* 38μA Quiescent Current in Burst Mode® Operation

* 1.8V, 50mA Always-On LDO

* Protected 100mA Hot Swap™ Output

* Pushbutton On/Off Control

* Current Limited 200mA MAX Output

* Programmable Power-Up Sequencing

* 24-lead 4mm × 4mm × 0.75mm QFN Package

Elecena nie prowadzi sprzedaży elementów elektronicznych, ani w niej nie pośredniczy.

Produkt pochodzi z oferty sklepu