elecena.pl

Energy Metering IC with On-Chip Fault and Missing Neutral Detection

Analog Devices

Energy Metering IC with On-Chip Fault and Missing Neutral Detection RSS Sample
  • Darmowa próbka
MPN:
ADE7761B
Producent:
ANALOG DEVICES
Dodany do bazy:
Ostatnio widziany:

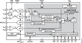
The ADE7761B is a high accuracy, fault-tolerant, electrical energy measurement IC intended for use with 2-wire distribution systems. The part specifications surpass the accuracy requirements as quoted in the IEC 62053-21 standard. The only analog circuitry used on the ADE7761B is in the ADCs and reference circuit. All other signal processing (such as multiplication and filtering) is carried out in the digital domain. This approach provides superior stability and accuracy over extremes in environmental conditions and over time. The ADE7761B incorporates a fault detection scheme similar to the ADE7751 by continuously monitoring both phase and neutral currents. A fault is indicated when the currents differ by more than 6.25%.

The ADE7761B incorporates a missing neutral detection scheme by continuously monitoring the input voltage. When a missing neutral condition is detected (no voltage input), the ADE7761B continues billing based on the active current signal (see the Missing Neutral Mode section). The missing neutral condition is indicated when the FAULT pin goes high. The ADE7761B supplies average active power information on the low frequency outputs, F1 and F2. The CF logic output gives instantaneous active power information.

The ADE7761B includes a power supply monitoring circuit on the VDD supply pin. Internal phase matching circuitry ensures that the voltage and current channels are matched. An internal no-load threshold ensures that the ADE7761B does not exhibit any creep when there is no load.

* High accuracy, active energy measurement IC supports IEC 62053-21

* Less than 0.1% error over a dynamic range of 1000 to 1

* Supplies active power on the frequency outputs, F1 and F2

* High frequency output CF is intended for calibration and supplies instantaneous active power

* Continuous monitoring of the phase and neutral current allows fault detection in 2-wire distribution systems

* Current channel input level best suited for shunt and current transformer sensors

Elecena nie prowadzi sprzedaży elementów elektronicznych, ani w niej nie pośredniczy.

Produkt pochodzi z oferty sklepu