elecena.pl

Single-Phase Active and Apparent Energy Metering IC

Analog Devices

Single-Phase Active and Apparent Energy Metering IC RSS Sample
  • Darmowa próbka
MPN:
ADE7763
Producent:
ANALOG DEVICES
Dodany do bazy:
Ostatnio widziany:
Zmiana ceny:
-100% (21.01.2025)
Poprzednia cena:
2.34

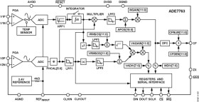
The ADE7763 features proprietary ADCs and fixed function DSP for high accuracy over large variations in environmental conditions and time. The ADE7763 incorporates two second-order, 16-bit Σ-Δ ADCs, a digital integrator (on Ch1), reference circuitry, a temperature sensor, and all the signal processing required to perform active and apparent energy measurements, line-voltage period measurements, and rms calculation on the voltage and current channels. The selectable on-chip digital integrator provides direct interface to di/dt current sensors such as Rogowski coils, eliminating the need for an external analog integrator and resulting in excellent long-term stability and precise phase matching between the current and the voltage channels.

The ADE7763 provides a serial interface to read data and a pulse output frequency (CF) that is proportional to the active power. Various system calibration features such as channel offset correction, phase calibration, and power calibration ensure high accuracy. The part also detects short duration, low or high voltage variations.

The positive-only accumulation mode gives the option to accumulate energy only when positive power is detected. An internal no-load threshold ensures that the part does not exhibit any creep when there is no load. The zero-crossing output (ZX) produces a pulse that is synchronized to the zero-crossing point of the line voltage. This signal is used internally in the line cycle active and apparent energy accumulation modes, which enables faster calibration.

The interrupt status register indicates the nature of the interrupt, and the interrupt enable register controls which event produces an output on the IRQ pin, an open-drain, active low logic output.

The ADE7763 is available in a 20-lead SSOP package.

* High accuracy; supports IEC 61036/60687, IEC62053-21, and IEC62053-22

* On-chip digital integrator enables direct interface-to-current sensors with di/dt output

* A PGA in the current channel allows direct interface to shunts and current transformers

* Active and apparent energy, sampled waveform, and current and voltage rms

* Less than 0.1% error in active energy measurement over a dynamic range of 1000 to 1 at 25°C

Elecena nie prowadzi sprzedaży elementów elektronicznych, ani w niej nie pośredniczy.

Produkt pochodzi z oferty sklepu