elecena.pl

1 0.00 PLN 0.00 PLN
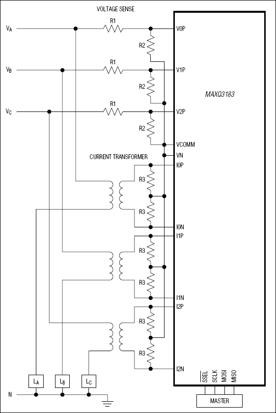
  1. Low-Power, Multifunction, Polyphase AFE with Harmonics and Tamper Detect Sample
    Do sklepu »

    Low-Power, Multifunction, Polyphase AFE with Harmonics and Tamper Detect

    ... of operations. The MAXQ3183 performs voltage and ...
    • Darmowa próbka
    Sklep:
    Analog Devices
    Producent:
    ANALOG DEVICES
    MPN:
    MAXQ3183
    Dodany: