elecena.pl

660 0.19 PLN 21474836.47 PLN
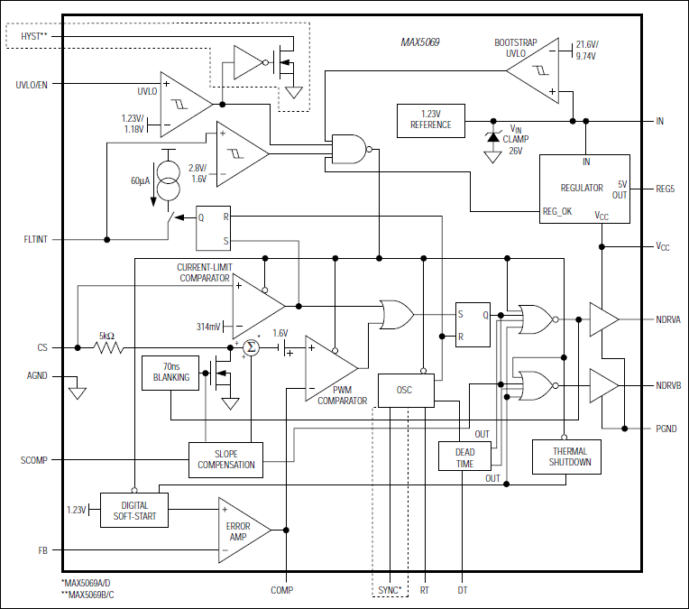
  1. High-Frequency, Current-Mode PWM Controller with Accurate Oscillator and Dual FET Drivers Sample
    Do sklepu »

    High-Frequency, Current-Mode PWM Controller with Accurate Oscillator and Dual FET Drivers

    The MAX5069 is a high-frequency, current-mode, ...
    • Darmowa próbka
    Sklep:
    Analog Devices
    Producent:
    ANALOG DEVICES
    MPN:
    MAX5069
    Dodany:
    Zmiana ceny:
    -100%
  2. Pressure bag, transparent, (W x D) 40 x 60 mm, ITM020201 0.19 x100
    Do sklepu »

    Pressure bag, transparent, (W x D) 40 x 60 mm, ITM020201

    • Sklep zagraniczny (0.04 EUR)
    Sklep:
    Bürklin Elektronik
    Producent:
    Flexico
    MPN:
    ITM020201
    Dodany:
    Zmiana ceny:
    +10900%
    Min. zamówienie:
    100 szt.
    500+ szt.:
    0.04
    1000+ szt.:
    0.04
    5000+ szt.:
    0.03
    10000+ szt.:
    0.03
  3. Pressure bag, transparent, (W x D) 40 x 60 mm, ITM020301 0.20 x100
    Do sklepu »

    Pressure bag, transparent, (W x D) 40 x 60 mm, ITM020301

    • Sklep zagraniczny (0.05 EUR)
    Sklep:
    Bürklin Elektronik
    Producent:
    Flexico
    MPN:
    ITM020301
    Dodany:
    Zmiana ceny:
    +9180%
    Min. zamówienie:
    100 szt.
    500+ szt.:
    0.04
    1000+ szt.:
    0.04
    5000+ szt.:
    0.03
    10000+ szt.:
    0.03
  4. HCF4042BF Quad D Trigger ICs DIP16C SGS USED 0.39 x100
    Do sklepu »

    HCF4042BF Quad D Trigger ICs DIP16C SGS USED

    Nazwa: HCF4042BF Obudowa: DIP16C Data Produkcji: ...
    Sklep:
    TVSAT-SHOP
    Producent:
    SGS-Thomson
    Dodany:
    Min. zamówienie:
    100 szt.
  5. Pressure bag, biobased, transparent, (W x D) 40 x 60 mm, ITM010100 0.50 x100
    Do sklepu »

    Pressure bag, biobased, transparent, (W x D) 40 x 60 mm, ITM010100

    • Sklep zagraniczny (0.12 EUR)
    Sklep:
    Bürklin Elektronik
    Producent:
    Flexico
    MPN:
    ITM010100
    Dodany:
    Zmiana ceny:
    -59%
    Min. zamówienie:
    100 szt.
    500+ szt.:
    0.09
    1000+ szt.:
    0.06
  6. HCF4042BE Quad D Trigger ICs DIP16 SGS USED 0.59 x50
    Do sklepu »

    HCF4042BE Quad D Trigger ICs DIP16 SGS USED

    Nazwa: HCF4042BE Obudowa: DIP16 Data Produkcji: 85 ...
    Sklep:
    TVSAT-SHOP
    Producent:
    SGS-Thomson
    Obudowa:
    DIP16
    Dodany:
    Min. zamówienie:
    50 szt.
  7. B16/BN735 0.85 x200
    Do sklepu »

    B16/BN735

    Podkładka okrągła ocynk M16 D=40 h=1,6
    • Zgodny z RoHS
    Sklep:
    Wekton
    Producent:
    BOSSARD
    Dodany:
    Zmiana ceny:
    -1.43%
    Min. zamówienie:
    200 szt.
    500+ szt.:
    0.74
    1000+ szt.:
    0.65
  8. HL62020 Przepusty tulejkowe 9,5x6,7x10,3mm 1.00
    Do sklepu »

    HL62020 Przepusty tulejkowe 9,5x6,7x10,3mm

    Do ścianek o grubości od 0,8 mm do 3,2 mm Materiał ...
    Sklep:
    Soltronik
    Dodany:
    Zmiana ceny:
    +100%
  9. Pressure bag, with recycled plastic, transparent, (W x D) 40 x 60 mm, ITM011201 1.27 x100
    Do sklepu »

    Pressure bag, with recycled plastic, transparent, (W x D) 40 x 60 mm, ITM011201

    • Sklep zagraniczny (0.30 EUR)
    Sklep:
    Bürklin Elektronik
    Producent:
    Flexico
    MPN:
    ITM011201
    Dodany:
    Zmiana ceny:
    +9817%
    Min. zamówienie:
    100 szt.
    500+ szt.:
    0.27
    1000+ szt.:
    0.25
  10. PIC10F220T-I/OT MICROCHIP SOT23-6 1.77
    Do sklepu »

    PIC10F220T-I/OT MICROCHIP SOT23-6

    8-bit MCU; 384B-FLASH; 16B-SRAM; 3 I/O; 2V~5,5V; ...
    Sklep:
    Micros
    Producent:
    MICROCHIP
    Obudowa:
    SOT23-6
    Dodany:
    Zmiana ceny:
    -9%
  11. ATT10-mahr ATT10-mahr 1.88
    Do sklepu »

    ATT10-mahr ATT10-mahr

    8-bit MCU; 1kB-FL; 32B-SRAM; 4 I/O; 1,8V~5,5V; ...
    Sklep:
    Micros
    Producent:
    ATMEL
    Dodany:
  12. ATTINY10-TS8R SOT23-6 2.05
    Do sklepu »

    ATTINY10-TS8R SOT23-6

    8-bit MCU; 1kB-FL; 32B-SRAM; 4 I/O; 1,8V~5,5V; ...
    Sklep:
    Micros
    Producent:
    MICROCHIP
    Obudowa:
    SOT23-6
    Dodany:
    Zmiana ceny:
    +7%
  13. 1N5819 2.09
    Do sklepu »

    1N5819

    1N 5819 SB-D40V / 1A / 25AP
    • Sklep zagraniczny (0.49 EUR)
    Sklep:
    Dönberg
    Dodany:
  14. PIC10F220-I/P PDIP8 2.25
    Do sklepu »

    PIC10F220-I/P PDIP8

    8-bit MCU; 384B-FLASH; 16B-SRAM; 3 I/O; 2V~5,5V; ...
    Sklep:
    Micros
    Producent:
    MICROCHIP
    Obudowa:
    PDIP8
    Dodany:
    Zmiana ceny:
    -9%
  15. FIBRAIN-CAB-001 2.31 x100
    Do sklepu »

    FIBRAIN-CAB-001

    Przewód: światłowód; VC-D40; Øprzew: 4mm; Liczba ...
    Sklep:
    TME
    Producent:
    FIBRAIN
    MPN:
    VC-D40-02-DB-0LWD
    Dodany:
    Zmiana ceny:
    +0.02%
    Min. zamówienie:
    100 szt.
    300+ szt.:
    1.91
    500+ szt.:
    1.71
    1000+ szt.:
    1.50