elecena.pl

181 1.84 PLN 3429.89 PLN
  1. High Voltage, Isolated IGBT Gate Driver with Isolated Flyback Controller Sample
    Do sklepu »

    High Voltage, Isolated IGBT Gate Driver with Isolated Flyback Controller

    ... . Two temperature sensor pins, TS1 and TS2, allow ...
    • Darmowa próbka
    Sklep:
    Analog Devices
    Producent:
    ANALOG DEVICES
    MPN:
    ADuM4138
    Dodany:
    Zmiana ceny:
    -100%
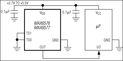
  2. SOT Temperature Sensors with Period/Frequency Output Sample
    Do sklepu »

    SOT Temperature Sensors with Period/Frequency Output

    ... two time-select pins (TS0, TS1) to either VDD or ...
    • Darmowa próbka
    Sklep:
    Analog Devices
    Producent:
    ANALOG DEVICES
    MPN:
    MAX6576
    Dodany:
  3. SOT Temperature Sensors with Period/Frequency Output Sample
    Do sklepu »

    SOT Temperature Sensors with Period/Frequency Output

    ... two time-select pins (TS0, TS1) to either VDD or ...
    • Darmowa próbka
    Sklep:
    Analog Devices
    Producent:
    ANALOG DEVICES
    MPN:
    MAX6577
    Dodany:
  4. 1.84
    Do sklepu »

    SFT14G-TSC

    Dioda: prostownicza; THT; 200V; 1A; TS1; 35ns
    Sklep:
    TME
    Producent:
    TAIWAN SEMICONDUCTOR
    MPN:
    SFT14G
    Dodany:
    Zmiana ceny:
    -0.54%
    10+ szt.:
    1.15
    100+ szt.:
    0.72
    500+ szt.:
    0.54
    1000+ szt.:
    0.48
    2000+ szt.:
    0.43
    5000+ szt.:
    0.41
  5. 2.17
    Do sklepu »

    SFT18G-TSC

    Dioda: prostownicza; THT; 600V; 1A; TS1; 35ns
    Sklep:
    TME
    Producent:
    TAIWAN SEMICONDUCTOR
    MPN:
    SFT18G
    Dodany:
    Zmiana ceny:
    -0.91%
    10+ szt.:
    1.35
    100+ szt.:
    0.85
    500+ szt.:
    0.64
    1000+ szt.:
    0.57
    2000+ szt.:
    0.52
    5000+ szt.:
    0.48
  6. 2.19
    Do sklepu »

    SFT16G-TSC

    Dioda: prostownicza; THT; 400V; 1A; TS1; 35ns
    Sklep:
    TME
    Producent:
    TAIWAN SEMICONDUCTOR
    MPN:
    SFT16G
    Dodany:
    Zmiana ceny:
    +0.46%
    10+ szt.:
    1.36
    100+ szt.:
    0.85
    500+ szt.:
    0.64
    1000+ szt.:
    0.58
    2000+ szt.:
    0.52
    5000+ szt.:
    0.49
  7. BE861TQS/1 6.91
    Do sklepu »

    BE861TQS/1

    Końcówka wkrętakowa; Torq-Set®; TS1; 1/4"; Dł. ...
    Sklep:
    TME
    Producent:
    BETA
    MPN:
    861TQS/1
    Dodany:
    Zmiana ceny:
    -14%
  8. TS-1 - taśma na szyję 8.00
    Do sklepu »

    TS-1 - taśma na szyję

    Dwuczęściowa taśma na szyję z zaczepem * do opraw ...
    Sklep:
    Chip Electronics
    Producent:
    HSY
    GTIN13:
    4248
    Dodany:
    Zmiana ceny:
    +14%
  9. Pilot Cyfra płaski 8.19
    Do sklepu »

    Pilot Cyfra płaski

    ... TS3P , TS4P , SC2000 , Sony TS1 Philips DSR 3201 ...
    Sklep:
    TIM SA
    Producent:
    MULTIPROJECT
    MPN:
    00589
    Dodany:
  10. 9.21
    Do sklepu »

    Stelaż Z Szyną Th, 1 Rząd Ts1-Klv 178957

    Sklep:
    ELEKTRONEST
    Producent:
    EATON
    Dodany:
  11. Ceny od 10 zł
  12. NEUTRIK WTYK JACK 6,3 MONO NP2C-BAG 12.77
    Do sklepu »

    NEUTRIK WTYK JACK 6,3 MONO NP2C-BAG

    Męski, niklowany, wtyk typu JACK 6.3 mono (TS 1/ ...
    Sklep:
    Mitronik
    Dodany:
    Zmiana ceny:
    +133%
  13. Stelaż z szyną TH, 1 rząd TS1-KLV 178957 12.90
    Do sklepu »

    Stelaż z szyną TH, 1 rząd TS1-KLV 178957

    Stelaż z szyną TH, 1 rząd TS1-KLV 178957
    Sklep:
    TIM SA
    Producent:
    EATON
    MPN:
    178957
    ISBN:
    4015081742745
    Dodany:
    Zmiana ceny:
    +2.22%
  14. SIMON 55 Wyłącznik zwierny przycisk „światło” szybkozłącza biały mat TS1.01/111 KONTAKT SIMON 22.07
    Do sklepu »

    SIMON 55 Wyłącznik zwierny przycisk „światło” szybkozłącza biały mat TS1.01/111 KONTAKT SIMON

    ... ” szybkozłącza biały mat TS1.01/111 KONTAKT ...
    Sklep:
    Kwant
    Producent:
    Kontakt Simon
    MPN:
    TS1.01/111/KON
    GTIN13:
    5902787880361
    Dodany:
    Zmiana ceny:
    +5%
  15. Gniazdo abonenckie końcowe RTV DSE TS1-T 3,5dB 24.00
    Do sklepu »

    Gniazdo abonenckie końcowe RTV DSE TS1-T 3,5dB

    Sklep:
    Elektronik Jacek
    Dodany:
  16. Ceny od 25 zł
  17. Czujnik temperatury/powierzchni dla MST-91Ai 3m TS-1 GRAND MEYER 25.37
    Do sklepu »

    Czujnik temperatury/powierzchni dla MST-91Ai 3m TS-1 GRAND MEYER

    Czujnik temperatury/powierzchni dla MST-91Ai 3m ...
    Sklep:
    SPEC KABLE
    Producent:
    GRAND MEYER
    GTIN13:
    4751028122231
    Dodany:
    Zmiana ceny:
    +1.56%