elecena.pl

750 0.00 PLN 0.00 PLN
  1. Automotive 1.7-V remote and local temp sensor with N-factor, filtering and series-R correction Sample
    Do sklepu »

    Automotive 1.7-V remote and local temp sensor with N-factor, filtering and series-R correction

    The TMP451-Q1 device is a high-accuracy, low-power ...
    • Darmowa próbka
    Sklep:
    Texas Instruments
    Producent:
    TEXAS INSTRUMENTS
    MPN:
    TMP451-Q1
    Dodany:
  2. Automotive, 1.4V-capable temperature sensor with I2C/SMBus interface in LM75 pinout Sample
    Do sklepu »

    Automotive, 1.4V-capable temperature sensor with I2C/SMBus interface in LM75 pinout

    The TMP75B-Q1 is an integrated digital temperature ...
    • Darmowa próbka
    Sklep:
    Texas Instruments
    Producent:
    TEXAS INSTRUMENTS
    MPN:
    TMP75B-Q1
    Dodany:
  3. Highly-Integrated Digital Controller for Isolated Power with 64kB Memory Sample
    Do sklepu »

    Highly-Integrated Digital Controller for Isolated Power with 64kB Memory

    The UCD3138064 is a digital power supply ...
    • Darmowa próbka
    Sklep:
    Texas Instruments
    Producent:
    TEXAS INSTRUMENTS
    MPN:
    UCD3138064
    Dodany:
  4. 12-Bit Digital Pre-Distortion μModule Receiver Subsystem Sample
    Do sklepu »

    12-Bit Digital Pre-Distortion μModule Receiver Subsystem

    The LTM9003 is a 12-bit digital pre-distortion μ ...
    • Darmowa próbka
    Sklep:
    Analog Devices
    Producent:
    ANALOG DEVICES
    MPN:
    LTM9003
    Dodany:
    Zmiana ceny:
    -100%
  5. Sample
    Do sklepu »

    MagniV 16-bit MCU, S12Z core, 128KB Flash, 32MHz, -40/+125degC, Automotive Qualified, QFP 32

    The S12ZVL platform, part of the S12 MagniV mixed- ...
    • Darmowa próbka
    Sklep:
    NXP
    Producent:
    NXP
    MPN:
    S912ZVLA12F0MLC
    Obudowa:
    SOT358
    Dodany:
  6. 8-Channel, 12-Bit, Configurable ADC/DAC with On-Chip Reference, SPI Interface Sample
    Do sklepu »

    8-Channel, 12-Bit, Configurable ADC/DAC with On-Chip Reference, SPI Interface

    The AD5592R/AD5592R-1 have eight I/Ox pins (I/ ...
    • Darmowa próbka
    Sklep:
    Analog Devices
    Producent:
    ANALOG DEVICES
    MPN:
    AD5592R
    Dodany:
  7. 8-Channel, 12-Bit, Configurable ADC/DAC with On-Chip Reference, IC Interface Sample
    Do sklepu »

    8-Channel, 12-Bit, Configurable ADC/DAC with On-Chip Reference, IC Interface

    The AD5593R has eight input/output (I/O) pins ...
    • Darmowa próbka
    Sklep:
    Analog Devices
    Producent:
    ANALOG DEVICES
    MPN:
    AD5593R
    Dodany:
    Zmiana ceny:
    -100%
  8. 16-Channel Ultrasound Analog Front End With Passive CW Mixer, 0.75 nV/rtHz, 124mW/Channel Sample
    Do sklepu »

    16-Channel Ultrasound Analog Front End With Passive CW Mixer, 0.75 nV/rtHz, 124mW/Channel

    The AFE5818 is a highly-integrated, analog front- ...
    • Darmowa próbka
    Sklep:
    Texas Instruments
    Producent:
    TEXAS INSTRUMENTS
    MPN:
    AFE5818
    Dodany:
  9. Dual operational amplifier with high current output Sample
    Do sklepu »

    Dual operational amplifier with high current output

    The ALM2402-Q1 is a dual high voltage, high ...
    • Darmowa próbka
    Sklep:
    Texas Instruments
    Producent:
    TEXAS INSTRUMENTS
    MPN:
    ALM2402-Q1
    Dodany:
  10. UCD3138A Highly Integrated Digital Controller for Isolated Power Sample
    Do sklepu »

    UCD3138A Highly Integrated Digital Controller for Isolated Power

    The UCD3138A is a digital power supply controller ...
    • Darmowa próbka
    Sklep:
    Texas Instruments
    Producent:
    TEXAS INSTRUMENTS
    MPN:
    UCD3138A
    Dodany:
  11. Sample
    Do sklepu »

    S12ZVC Mixed-Signal MCU for Automotive and Industrial CAN Applications

    The S12ZVC platform, part of the S12 MagniV® mixed ...
    • Darmowa próbka
    Sklep:
    NXP
    Producent:
    NXP
    MPN:
    S912ZVCA19A1WLF
    Obudowa:
    SOT313
    Dodany:
  12. Precision 12-Bit CMOS Multiplying I DAC, 4-Bit Bus Sample
    Do sklepu »

    Precision 12-Bit CMOS Multiplying I DAC, 4-Bit Bus

    The AD7542 is a precision 12-bit CMOS multiplying ...
    • Darmowa próbka
    Sklep:
    Analog Devices
    Producent:
    ANALOG DEVICES
    MPN:
    AD7542
    Dodany:
    Zmiana ceny:
    -100%
  13. 12-Bit, Multiplying, I DAC, 8-Bit Bus Sample
    Do sklepu »

    12-Bit, Multiplying, I DAC, 8-Bit Bus

    The AD7548 is a 12-monolithic CMOS D/A converter ...
    • Darmowa próbka
    Sklep:
    Analog Devices
    Producent:
    ANALOG DEVICES
    MPN:
    AD7548
    Dodany:
    Zmiana ceny:
    -100%
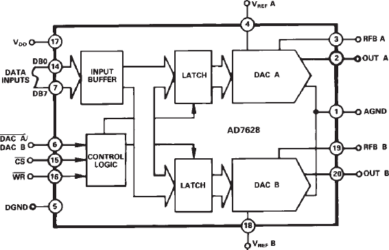
  14. CMOS Dual 8-Bit Buffered Multiplying DAC Sample
    Do sklepu »

    CMOS Dual 8-Bit Buffered Multiplying DAC

    The AD7628 is a monolithic dual 8-bit digital/ ...
    • Darmowa próbka
    Sklep:
    Analog Devices
    Producent:
    ANALOG DEVICES
    MPN:
    AD7628
    Dodany:
    Zmiana ceny:
    -100%
  15. 3.3 V/+5 V Multiplying 12-Bit DAC With a Serial Interface Sample
    Do sklepu »

    3.3 V/+5 V Multiplying 12-Bit DAC With a Serial Interface

    The AD7943, AD7945 and AD7948 are fast 12-bit ...
    • Darmowa próbka
    Sklep:
    Analog Devices
    Producent:
    ANALOG DEVICES
    MPN:
    AD7943
    Dodany:
    Zmiana ceny:
    -100%