elecena.pl

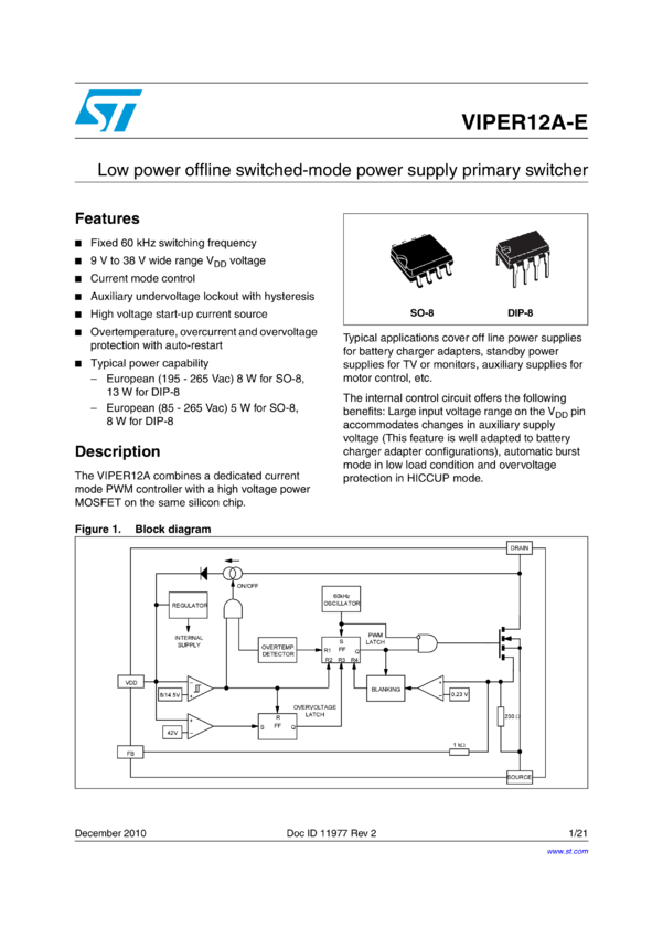
VIPER12A-E Fixed frequency off line converter

Podgląd PDFa Kliknij, aby przejrzeć kilka stron
Fixed frequency off line converter
Otwórz plik PDF » 21 stron (525 kB)
Producent:
STMicroelectronics
Szukaj produktów »