elecena.pl

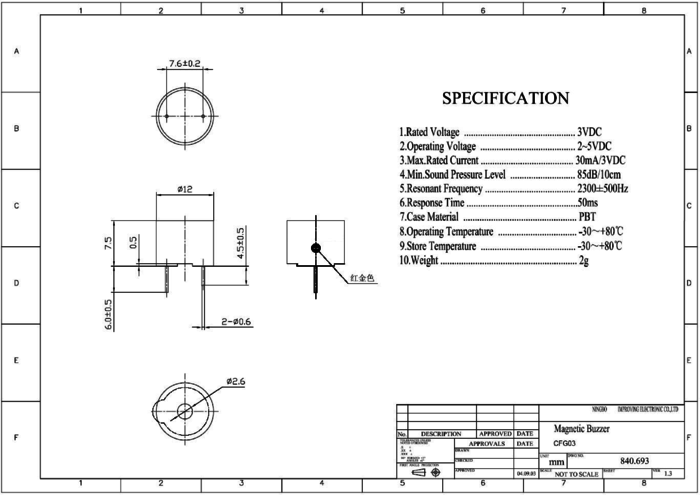
CFG03 Sygnalizator z obwodem generatora, 3V DC

Podgląd PDFa Kliknij, aby przejrzeć kilka stron
Sygnalizator z obwodem generatora, 3V DC
Otwórz plik PDF » 1 stron (133 kB)
Producent:
Maritex
Szukaj produktów »