elecena.pl

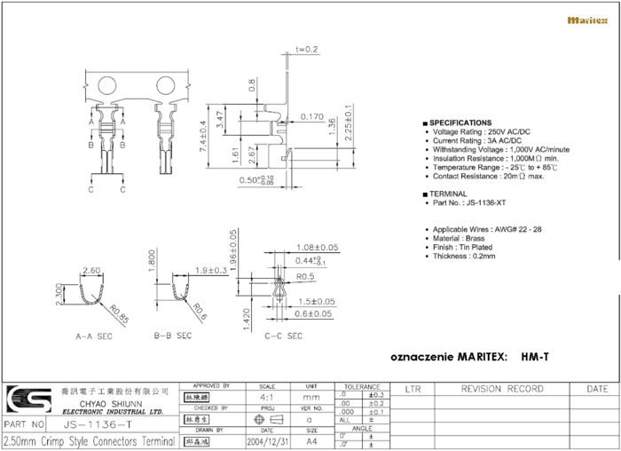
HMT Metalowy styk, żeński, do wbudowania w korpusy złącz HM, AWG#22-28 (56cm)

Podgląd PDFa Kliknij, aby przejrzeć kilka stron
Metalowy styk, żeński, do wbudowania w korpusy złącz HM, AWG#22-28 (56cm)
Otwórz plik PDF » 1 stron (211 kB)
Producent:
Maritex
Szukaj produktów »