elecena.pl

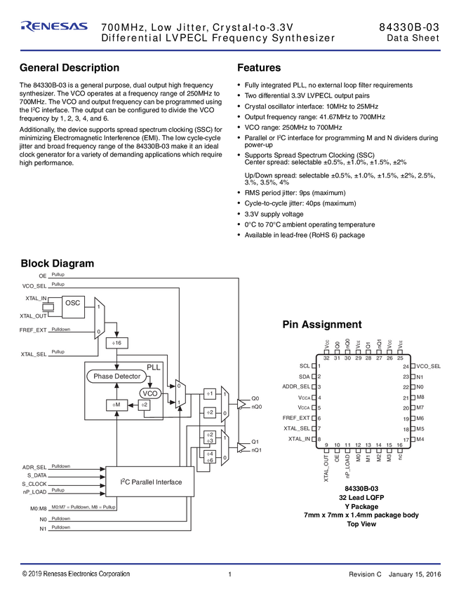
84330BY-03LFT 700MHz,Low Jitter,Crystal-to-3.3V Differential LVPECL Frequency Synthesizer

Podgląd PDFa Kliknij, aby przejrzeć kilka stron
700MHz,Low Jitter,Crystal-to-3.3V Differential LVPECL Frequency Synthesizer
Otwórz plik PDF » 24 stron (544 kB)
Producent:
Renesas Electronics
Inne symbole:
84330BY-03LF, 84330B-03
Szukaj produktów »