elecena.pl

  1. Podgląd PDFa
    Do dokumentacji »

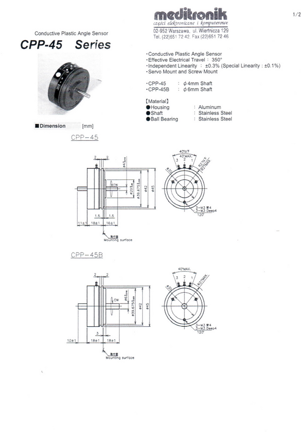
    PM CPP-45B 5K MIDORI

    Potencjometr przew.plastyk; Servo 18 + śruby; kąt el. 340 st ; kąt mech.360 st; 1 obrotowy; śr.45mm; gł.18mm; ośka 6mm dł .16 mm; RS 11mm; wypr.z boku; lin 0,5%; tol.10% 3W/70 st 3 x M3 120 st fi 30; 5 kohm Conductive Plastic Angle Sensor; Servopotentiometer; Resistance 5 kohm; Effective electrical travel 350 deg machanical travel 360 deg; Linearity 0,5%; Shaft Fi 6,00 mm - 18mm + Rear shaft 6,00 mm 10 mm; Diameter 45 mm ; 18mm deep; Tol. 10%; 3W/70 deg; 3xM3 120 deg fi.30mm Nastę[ca CP-45FB 5K Midori
    Producent:
    Meditronik
    Rozmiar:
    2641 kB
    Stron:
    7
  2. Podgląd PDFa
    Do dokumentacji »

    PM CPP-45B-10K MIDORI

    Potencjometr przewodzący plastyk; servo 18+śruby; 2kohm, kąt.el.340 st;mech 360 st; 3W/70 st; 1 obrotowy; średnica 45mm; gł.18mm; ośka 4mm; dł.16mm; RS 11mm; wypr.z boku; lin +-0,5%(+-0,3%); tol +-10%
    Producent:
    Meditronik
    Rozmiar:
    695 kB
    Stron:
    2
  3. Podgląd PDFa
    Do dokumentacji »

    LDH-45B-1050WDA

    MEAN WELL LDH-45B-1050WDA Sterownik LED Stałonaprądowy 45.15 W 1050 mA 36 - 43 V/DC Ściemniacz, Dali, Zabezpieczenie prz
    Producent:
    MEAN WELL
    Rozmiar:
    536 kB
    Stron:
    4
  4. Podgląd PDFa
    Do dokumentacji »

    PM CPP-45B-1K MIDORI

    Potencjometr przewodzący plastyk; servo 18+śruby; 1kohm, kąt.el.340 st;mech 360 st; 3W/70 st; 1 obrotowy; średnica 45mm; gł.18mm; ośka 4mm; dł.16mm; RS 11mm; wypr.z boku; lin +-0,5%(+-0,3%); tol +-10% Nastęca CP-45F
    Producent:
    Meditronik
    Rozmiar:
    469 kB
    Stron:
    2
  5. Podgląd PDFa
    Do dokumentacji »

    PM CPP-45B-2G-1K MIDORI

    Uwaga: zdjęcie podobnego -pojedyńczego bez CT czwartej końcówki Center Tap (odczep-czwarta końcówka-typ A napięciowy No shorted angle
    Producent:
    Meditronik
    Rozmiar:
    441 kB
    Stron:
    2
  6. Podgląd PDFa
    Do dokumentacji »

    45B1U6900C/00

    Philips Philips 45B1U6900C - Monitor LED - zakrzywiony
    Producent:
    Philips Monitore
    Rozmiar:
    239 kB
    Stron:
    5
  7. Podgląd PDFa
    Do dokumentacji »

    PM CPP-45BJ

    Wersja Low cost dla modelu CPP-45B Uwaga: zdjecie podobnego
    Producent:
    Meditronik
    Rozmiar:
    236 kB
    Stron:
    2
  8. Podgląd PDFa
    Do dokumentacji »

    PM CPP-45B-3G-2K

    Producent:
    Meditronik
    Rozmiar:
    232 kB
    Stron:
    2
  9. Podgląd PDFa
    Do dokumentacji »

    KF214-45B5R1

    Res Wirewound 4.7 Ohm 10% 2.5W ±40ppm/°C Ceramic Axial Thru-Hole Bulk
    Producent:
    Vitrohm
    Rozmiar:
    216 kB
    Stron:
    2
  10. Podgląd PDFa
    Do dokumentacji »

    CCFL-BF22312-45B

    Lampa Tri-Phosphor RGB white lamp 5 mA 2.2mm x 312 mm White lamp
    Producent:
    Meditronik
    Rozmiar:
    172 kB
    Stron:
    1