elecena.pl

  1. Podgląd PDFa
    Do dokumentacji »

    0041.9146.5127

    LDT N.O. 1P BEL./ILL.
    Producent:
    SCHURTER
    Rozmiar:
    2872 kB
    Stron:
    6
  2. Podgląd PDFa
    Do dokumentacji »

    0041.9141.5107

    SRT0041.8852.3107
    Producent:
    SCHURTER
    Rozmiar:
    2867 kB
    Stron:
    6
  3. Podgląd PDFa
    Do dokumentacji »

    914CE18-3A

    Honeywell SPS 914CE18-3A Wyłącznik krańcowy, 1 szt.
    Producent:
    Honeywell SPS
    Rozmiar:
    1254 kB
    Stron:
    9
  4. Podgląd PDFa
    Do dokumentacji »

    09692009147

    Harting 09692009147 Złącze męskie 09 69 200 9147, styki: 3, 1 szt.
    Producent:
    Harting
    Rozmiar:
    513 kB
    Stron:
    3
  5. Podgląd PDFa
    Do dokumentacji »

    09692009140

    Harting 09692009140 Złącze męskie 09 69 200 9140, styki: 3, 1 szt.
    Producent:
    Harting
    Rozmiar:
    502 kB
    Stron:
    3
  6. Podgląd PDFa
    Do dokumentacji »

    9143267

    uvex i-guard+ 9143267 Pełne okulary ochronne szary, niebieski
    Producent:
    uvex
    Rozmiar:
    423 kB
    Stron:
    4
  7. Podgląd PDFa
    Do dokumentacji »

    HEDS-9140#A00 500CPR

    Czytnik do enkodera optycznego 3ch; Rozdzielczość: 500 CPR
    Producent:
    Meditronik
    Rozmiar:
    379 kB
    Stron:
    12
  8. Podgląd PDFa
    Do dokumentacji »

    HEDS-9140#C00 100CPR

    Czytnik do enkodera optycznego 2ch; litera oznacza w CPR: K-96; C-100; D-192; E-200; F-256; G-360;H-400; A-500; I-512 B-1000; J-1024; T-2000; U-1024 ? uwaga: należy wybrać model
    Producent:
    Meditronik
    Rozmiar:
    338 kB
    Stron:
    8
  9. Podgląd PDFa
    Do dokumentacji »

    CR0603-JW-914ELF

    Res Thick Film 1206 18 Ohm 5% 1/4W ±200ppm/°C Molded SMD SMD Paper Tape on Plastic Reel
    Producent:
    Bourns
    Rozmiar:
    323 kB
    Stron:
    5
  10. Podgląd PDFa
    Do dokumentacji »

    HEDS-9140#G00 360CPR

    Czytnik do enkodera optycznego 3ch; Rozdzielczość: 360 CPR
    Producent:
    Meditronik
    Rozmiar:
    319 kB
    Stron:
    12
  11. Podgląd PDFa
    Do dokumentacji »

    9143266

    uvex i-guard 9143266 Okulary ochronne szary, niebieski
    Producent:
    uvex
    Rozmiar:
    319 kB
    Stron:
    3
  12. Podgląd PDFa
    Do dokumentacji »

    9143282

    uvex i-guard 9143282 Okulary ochronne szary, żółty
    Producent:
    uvex
    Rozmiar:
    313 kB
    Stron:
    3
  13. Podgląd PDFa
    Do dokumentacji »

    9143281

    uvex i-lite 9143281 Okulary ochronne szary, żółty
    Producent:
    uvex
    Rozmiar:
    300 kB
    Stron:
    3
  14. Podgląd PDFa
    Do dokumentacji »

    HEDS-5645#A13 500CPR 8,0

    Enkoder optyczny 3 ch; rozdzielczość:500CPR; średnica 8 mm składa się z obudowy; tarczy HEDS-5140#A13 i czytnika HEDS-9140#A00; otwór 8,9mm ; obudowa ma "uszy"
    Producent:
    Meditronik
    Rozmiar:
    292 kB
    Stron:
    15
  15. Podgląd PDFa
    Do dokumentacji »

    9143283

    uvex i-guard+ 9143283 Pełne okulary ochronne szary, żółty
    Producent:
    uvex
    Rozmiar:
    274 kB
    Stron:
    4
  16. Podgląd PDFa
    Do dokumentacji »

    9143300

    uvex i-guard+ 9143300 Pełne okulary ochronne szary, niebieski
    Producent:
    uvex
    Rozmiar:
    254 kB
    Stron:
    4
  17. Podgląd PDFa
    Do dokumentacji »

    9145265

    uvex pure-fit 9145265 Okulary ochronne bezbarwny
    Producent:
    uvex
    Rozmiar:
    173 kB
    Stron:
    3
  18. Podgląd PDFa
    Do dokumentacji »

    L-914CK/4IDT

    LED Quad-Level Uni-Color Red 627nm 8-Pin
    Producent:
    Kingbright
    Rozmiar:
    136 kB
    Stron:
    3
  19. Podgląd PDFa
    Do dokumentacji »

    914279

    Pepperl+Fuchs 914279 Kołnierz mocujący OMH-ML100-S1 1 szt.
    Producent:
    Pepperl+Fuchs
    Rozmiar:
    117 kB
    Stron:
    1
  20. Podgląd PDFa
    Do dokumentacji »

    CD914-Rectifier

    cd4148-914-3600-4150
    Producent:
    Microchip
    Rozmiar:
    100 kB
    Stron:
    2
  21. Podgląd PDFa
    Do dokumentacji »

    550-91401

    Etykieta samolaminująca HellermannTyton RO203REF-1401-OG-1401-CL/OG 550-91401, 100 szt.
    Producent:
    HellermannTyton
    Rozmiar:
    98 kB
    Stron:
    1
  22. Podgląd PDFa
    Do dokumentacji »

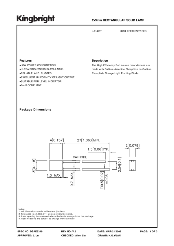
    L-914IDT

    LED Uni-Color Red 627nm Standard LED 2-Pin Box
    Producent:
    Kingbright
    Rozmiar:
    67 kB
    Stron:
    3