elecena.pl

  1. Podgląd PDFa
    Do dokumentacji »

    Adapter 2"1.5" P4504-S0060-2K

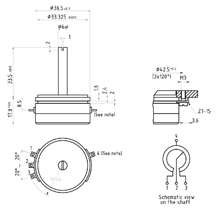
    Potencjometr specjalny wersja OEM Art. Ni. 54000019 Servomount with 3 clamps; kąt pracy mechaniczny 360 stopni elektryczny 350 stopni+-2 stopnie; 2 kohm +-20% Lin. +-0,075 %; IP40; średnica korpusu 36,5mm; kołnierz Servo 33,32mm; głębokość 17,8mm+1,6mm = 19,4mm; CT Center Tap napięciowy ? ośka średnica 6,0mm; długoś ośki 33,5mm - 1,6 mm= 31,9 mm Na zamówienie możemy wykonać "zamienniki" wersje podobne na bazie korpusu FCP40A z CT zenter tapem i z ośką 6,00 mm o długości 33,5 mm: FCP40A-CT-33,5-2K FCP40A-CT-
    Producent:
    Meditronik
    Rozmiar:
    1915 kB
    Stron:
    3
  2. Podgląd PDFa
    Do dokumentacji »

    PM RVQ24YNC0305 20F-B502

    Ośka 6mm dł. 20mm; FL W=4,4mm L=8,5mm; Grooved-nacięcie 1mm; bushing M9x0,75; średnica 23,5mm;gł.11,5mm;wypr.z boku;1W; kąt pracy el.280 stopni; kąt mech.360 st.kręci się w kólko; możemy proponować modele podobne RVQ24YN... lub FCP22E.. Zamiennik ale ze stopami mechanicznymi to RVQ24YN03-20FB502 ( orygianał kręci się w kółko ) aby pracował w miejscu oryginału należy usunąć "stopy" czyli wyciąć wystającą część, widać to na zdjęciu przy elemencie RVQ24YN03 RVQ24YNC0305 Potencjometr pasujący do Quada Kawasaki
    Producent:
    Meditronik
    Rozmiar:
    1845 kB
    Stron:
    7
  3. Podgląd PDFa
    Do dokumentacji »

    PM RVQ24YNC0301 20F-B502

    kąt pracy el.280 stopni,kąt mech,360 st -kręci się w kółko ten model został pomierzony, ale go nie oferujemy,możemy proponować modele podobne PM RVQ24YN... lub FCP22E*280*
    Producent:
    Meditronik
    Rozmiar:
    1845 kB
    Stron:
    7
  4. Podgląd PDFa
    Do dokumentacji »

    PMRP20B-10K-MEGATRON

    Potencjometr drutowy; Bushing; lin+-0,5%; tolerancja +-3%; 1 obrotowy; średnica 22 mm; gł. 12mm; moc 0,5W ośka 6,00 mm; dł. 22 mm; ośka ma dodatkowo Slot ką pracy elektryczny 355 stopni. mechaniczny 360 stopni Odpowiednik CP22E-10K ale bez SL slota na ośce, lub ze slotem możemy wykonać na zamówienie - dostawa 6-10 tyg + dopłata
    Producent:
    Meditronik
    Rozmiar:
    1405 kB
    Stron:
    3
  5. Podgląd PDFa
    Do dokumentacji »

    ICL7106 UM7106

    AD converter with 3 1/2 digit lcd DIP40 Do wyświetlacza LCD Nieprodukowane, możemy proponować odpowiedniki innych firm
    Producent:
    Meditronik
    Rozmiar:
    1061 kB
    Stron:
    12
  6. Podgląd PDFa
    Do dokumentacji »

    P4504-S0060-2K

    Potencjometr specjalny wersja OEM Art. Ni. 54000019 Servomount with 3 clamps; kąt pracy mechaniczny 360 stopni elektryczny 350 stopni+-2 stopnie; 2 kohm +-20% Lin. +-0,075 %; IP40; średnica korpusu 36,5mm; kołnierz Servo 33,32mm; głębokość 17,8mm+1,6mm = 19,4mm; CT Center Tap napięciowy ? ośka średnica 6,0mm; długoś ośki 33,5mm - 1,6 mm= 31,9 mm Na zamówienie możemy wykonać "zamienniki" wersje podobne na bazie korpusu FCP40A z CT zenter tapem i z ośką 6,00 mm o długości 33,5 mm: FCP40A-CT-33,5-2K FCP40A-CT-
    Producent:
    Meditronik
    Rozmiar:
    532 kB
    Stron:
    2
  7. Podgląd PDFa
    Do dokumentacji »

    PM3437S-1-103

    1-1/16"=27MM 1 obrotowy, 10 KOHM DRUTOWY, bushing Na zamówienie możemy wykonać potencjometr zbliżony do orygin ału - model PMSCPB30...(drut) lub PMSFCPB30A... (przew plast yk) lub proponujemy podobny o mniejszej średnicy PM6639S-1-.
    Producent:
    Meditronik
    Rozmiar:
    261 kB
    Stron:
    2
  8. Podgląd PDFa
    Do dokumentacji »

    PE60L0FLW471MA

    Potencjometr cermetowy; Bushing; moc. 6W średnica 25 mm; gł. 18mm; ośka 6mm; dł. 25mm ( możemy dostarczyć z ośką 16mm; możliwe rezystancje 4,7 ; 10; 100; 470 ohm
    Producent:
    Meditronik
    Rozmiar:
    120 kB
    Stron:
    5
  9. Podgląd PDFa
    Do dokumentacji »

    PM6574S-51-202

    Potencjometr taki jak 6574S ale z odczepem CT center tap zamiennik dla wersji standard PMSFCP50A_1/4_CT-0,05%-2K o liniowości lepszej od oryginału t.j.+-0,05% zamiast +-0,25% lub tańszy o linowości gorszej t.j +-0,5% zamiast +-0,25% PMSFCP50A_1/4_CT-2K; w zamienniku piny są w innej kolejności Na zamówienie model SFCP50A_1/4_CT-2K możemy wykonać w wersji z antywibracyjnymi stykami ( za dopłatą) lub z dodatkowym Oringiem ( zmienia to głębokość potencjometra.) Zamiennik ma kolor czarny 6574S-51-202 Pot 2k+-10%
    Producent:
    Meditronik
    Rozmiar:
    116 kB
    Stron:
    1
  10. Podgląd PDFa
    Do dokumentacji »

    PMDOW101-TELPOD

    jednoobrotowy; najlepiej użyć PMCP22C,PM6639S-.6657S..3852. średnica 46mm; ośka 6mm; Poroponujemy zamienniki PMOF50.. możemy je dostosować. Oryginały do wyczerpania magazynu. Nieprodukowane, dostępne tylko niektóre wartości.
    Producent:
    Meditronik
    Rozmiar:
    114 kB
    Stron:
    1
  11. Podgląd PDFa
    Do dokumentacji »

    P-4504-S0060-2K

    Potencjometr specjalny wersja OEM Art. Ni. 54000019 Servomount with 3 clamps; kąt pracy mechaniczny 360 stopni elektryczny 350 stopni+-2 stopnie; 2 kohm +-20% Lin. +-0,075 %; IP40; średnica korpusu 36,5mm; kołnierz Servo 33,32mm; głębokość 17,8mm+1,6mm = 19,4mm; CT Center Tap napięciowy ? ośka średnica 6,0mm; długoś ośki 33,5mm - 1,6 mm= 31,9 mm Na zamówienie możemy wykonać "zamienniki" wersje podobne na bazie korpusu FCP40A z CT zenter tapem i z ośką 6,00 mm o długości 33,5 mm: FCP40A-CT-33,5-2K FCP40A-CT-
    Producent:
    Meditronik
    Rozmiar:
    83 kB
    Stron:
    1