elecena.pl

  1. Podgląd PDFa
    Do dokumentacji »

    LEDP6-S-WND120-PW

    Dioda LEDP6-S-WND120-PW, SMD PLCC6, TOP LED (5550), biała neutralna (7040K-4746K), superjasna 5000-8000 mCd/20 mA/chip, (max 30mA/chip), dyfuzyjna, 120 stopni /1000szt.
    Producent:
    Maritex
    Rozmiar:
    350 kB
    Stron:
    1
  2. Podgląd PDFa
    Do dokumentacji »

    PSG680NX

    Neutralna Bake ze stali nierdzewnej VISO PSG680NX Ze stali nierdzewnej (S x W) 230 mm x 600 mm
    Producent:
    VISO
    Rozmiar:
    337 kB
    Stron:
    4
  3. Podgląd PDFa
    Do dokumentacji »

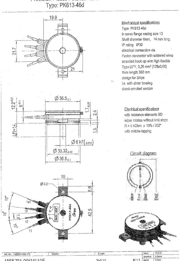
    PK613-46D 5K CT 352

    Potencjometr servo 13; Rezystancja 5 kohm kąt pracy 352 stop ni, mechaniczny 360 st; CT Center tap; ośka 6,00 mm dł. 14m m; tolerancja rezystancji +-10%/ przewodzący plastik Wersja neutralna modelu 1565z81-0065.010
    Producent:
    Meditronik
    Rozmiar:
    204 kB
    Stron:
    2