elecena.pl

System-Management IC with Programmable Quad Voltage Monitoring and Supervisory Functions

Analog Devices

System-Management IC with Programmable Quad Voltage Monitoring and Supervisory Functions RSS Sample
  • Darmowa próbka
MPN:
AD5100
Producent:
ANALOG DEVICES
Dodany do bazy:
Ostatnio widziany:
Zmiana ceny:
-100% (17.01.2025)
Poprzednia cena:
3.60

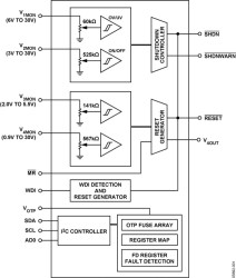
The AD5100 is a programmable system-management IC that combines four channels of voltage monitoring and a watchdog supervision that can be used to shut down external supplies, reset processors, or disable any other system electronics when the system malfunctions. The AD5100 can also be used to protect systems from the faulty condition of improper device power-up sequencing. The AD5100, a robust watchdog reset controller, can monitor two 30 V inputs with shutdown and reset controls, one 2.3 V to 5.0 V input and one 1.6 V to 7.96V. input. Most monitoring input thresholds and timing settings can be programmed on the fly or permanently set in the factory with the OTP feature.

The AD5100 is versatile for system-monitoring applications where critical microprocessor, DSP, and embedded systems operate under harsh conditions such as automotive, industrial or communications network environments.

The AD5100 is available in a compact QSOP-16 package and can operate in an extended automotive temperature range from −40°C to +125°C.

Applications

* Automotive systems

* Network equipment

* Computers, controllers, and embedded systems Data Sheet, Rev. 0, 10/08

* 2 device-enabling outputs with 6 programmable monitoring Inputs (See Table 1 on data sheet) * Two 30 V monitoring inputs with shutdown control of external devices Programmable overvoltage, undervoltage, turn-on and turn-off thresholds, and shutdown timings Shutdown warning with fault detection Reset control of external devices * 5 V and 7.96 V monitoring inputs with reset control of external devices Programmable reset thresholds and hold time

Elecena nie prowadzi sprzedaży elementów elektronicznych, ani w niej nie pośredniczy.

Produkt pochodzi z oferty sklepu