elecena.pl

Dual 2.5-Gbps 2:1/1:2 CML mux/buffer with transmit pre-emphasis and receive equalization

Texas Instruments

Dual 2.5-Gbps 2:1/1:2 CML mux/buffer with transmit pre-emphasis and receive equalization RSS Sample
  • Darmowa próbka
MPN:
DS25MB200
Producent:
TEXAS INSTRUMENTS
Dodany do bazy:
Ostatnio widziany:

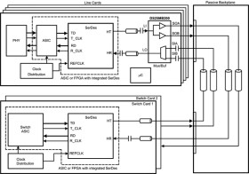
The DS25MB200 is a dual signal conditioning 2:1 multiplexer and 1:2 fan-out buffer designed for use in backplane redundancy applications. Signal conditioning features include input equalization and programmable output pre-emphasis that enable data communication in FR4 backplanes up to 2.5 Gbps. Each input stage has a fixed equalizer to reduce ISI distortion from board traces. All output drivers have 4 selectable steps of pre-emphasis to compensate for transmission losses from long FR4 backplanes and reduce deterministic jitter. The pre-emphasis levels can be independently controlled for the line-side and switch-side drivers. The internal loopback paths from switch-side input to switch-side output enable at-speed system testing. All receiver inputs are internally terminated with 100Ω differential terminating resistors. All drivers are internally terminated with 50Ω to VCC.

Elecena nie prowadzi sprzedaży elementów elektronicznych, ani w niej nie pośredniczy.

Produkt pochodzi z oferty sklepu