elecena.pl

Dual 4.0-Gbps 2:1/1:2 CML mux/buffer with transmit pre-emphasis and receive equalization

Texas Instruments

Dual 4.0-Gbps 2:1/1:2 CML mux/buffer with transmit pre-emphasis and receive equalization RSS Sample
  • Darmowa próbka
MPN:
DS40MB200
Producent:
TEXAS INSTRUMENTS
Dodany do bazy:
Ostatnio widziany:

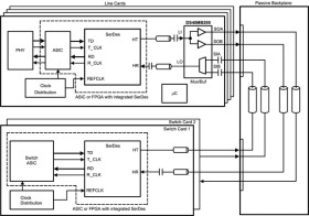
The DS40MB200 device is a dual signal conditioning 2:1 multiplexer (MUX) and 1:2 fan-out buffer designed for use in backplane-redundancy applications. Signal conditioning features include continuous time linear equalization (CTLE) and programmable output pre-emphasis, extending data communication in FR4 backplanes at rates up to 4 Gbps. Each input stage has a fixed equalizer to reduce intersymbol interference distortion from board traces.

All output drivers have four selectable steps of pre-emphasis to compensate for transmission losses from long FR4 backplanes and reduce deterministic jitter. The pre-emphasis levels can be independently controlled for the line-side and switch-side drivers. The internal loopback paths from switch-side input to switch-side output enable at-speed system testing. All receiver inputs are internally terminated with 100-Ω differential terminating resistors. All drivers are internally terminated with 50 Ω to VCC.

Elecena nie prowadzi sprzedaży elementów elektronicznych, ani w niej nie pośredniczy.

Produkt pochodzi z oferty sklepu