elecena.pl

1 remote and local temp sensor with fan control and 5 GPIO's

Texas Instruments

1 remote and local temp sensor with fan control and 5 GPIO's RSS Sample
  • Darmowa próbka
MPN:
LM64
Producent:
TEXAS INSTRUMENTS
Dodany do bazy:
Ostatnio widziany:

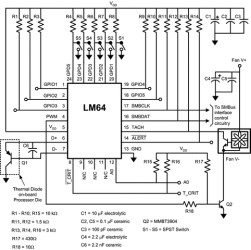
The LM64 is a remote diode temperature sensor with PWM fan control. The LM64 accurately measures its own temperature and that of a remote diode. The LM64 remote temperature accuracy is factory trimmed for a MMBT3904 diode-connected transistor with a 16°C offset for high temperatures. TACTUAL DIODE JUNCTION = TLM64 + 16°C

The LM64 features a PWM, open-drain, fan control output, 5 GPIO (General Purpose Input/Output) and 5 GPD (General Purpose Default) pins. The 8-step Lookup Table allows for a non-linear fan speed vs. temperature transfer function often used to quiet acoustic fan noise.

Elecena nie prowadzi sprzedaży elementów elektronicznych, ani w niej nie pośredniczy.

Produkt pochodzi z oferty sklepu