elecena.pl

1-4 series Li-ion battery pack manager supporting Turbo Mode 2.0

Texas Instruments

1-4 series Li-ion battery pack manager supporting Turbo Mode 2.0 RSS Sample
  • Darmowa próbka
MPN:
BQ40Z50-R2
Producent:
TEXAS INSTRUMENTS
Dodany do bazy:
Ostatnio widziany:

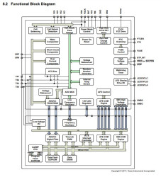
The BQ40Z50-R2 device, incorporating patented Impedance Track™ technology, is a fully integrated, single-chip, pack-based solution that provides a rich array of features for gas gauging, protection, and authentication for 1-series, 2-series, 3-series, and 4-series cell Li-ion and Li-polymer battery packs.

Using its integrated high-performance analog peripherals, the BQ40Z50-R2 device measures and maintains an accurate record of available capacity, voltage, current, temperature, and other critical parameters in Li-ion or Li-polymer batteries, and reports this information to the system host controller over an SMBus v1.1 compatible interface.

Elecena nie prowadzi sprzedaży elementów elektronicznych, ani w niej nie pośredniczy.

Produkt pochodzi z oferty sklepu